Главная О компании Паровые системы Clayton Услуги Опросные листы
|
|
Как устроен парогенератор и его принцип работы
Принцип работы парогенератора будет отличаться в зависимости от типа парогенератора.Парогенераторы делятся на:
— ТЭНовые парогенераторы;
— электродные парогенераторы;
— индукционные парогенераторы.
В зависимости от типа изменяется принцип работы парогенератора, рассмотрим каждый тип отдельно.
Нагрев ТЭНами — это наиболее простой процесс нагрева воды. Вода в этом типе парогенераторов просто нагревается несколькими ТЭНами различной мощности.

Электродный нагрев воды происходит за счет пропускания электричества через воду, используя ее способность к электропроводности. При пропускании тока через воду выделяется много тепла, это тепло превращает воду в пар. Хоть и есть мнение, что такой способ нагрева не безопасен, но при соблюдении техники безопасности электродный парогенератор безопасен для человека. В связи с тем, что температура электрода практически такая же, как у воды — это снижает скорость отложения накипи на электроде, а так как электрод изготовлен из металла — он не перегорит.

Вот мы и ознакомились с принципом работы различных парогенераторов, а заодно отметили плюсы и минусы каждого.
25 ноября 2010
Все права на статьи принадлежат их авторам. При использовании материалов прямая ссылка на статью обязательна. Ссылка не должна быть запрещена к индексации.Общее описание парогенераторов
Что такое промышленный парогенератор?
Что такое парогенератор
Парогенератор — это специальный аппарат, который предназначен для производства водяного пара с давлением выше атмосферного.
Несколько слов в пользу парогенераторов разных типов
Самыми удобными и эффективными на сегодняшний день для различных видов производств считаются промышленные парогенераторы с электронагревателями – компактные, достаточно мощные и производительные.
Устройство парогенераторов
Конструктивно промышленный парогенератор достаточно сложен, поскольку состоит из целого ряда механических и электронных компонентов, деталей и устройств. Вместе с тем, существует большое разнообразие парогенераторов от разных производителей и для разных задач, каждый из которых конструктивно отличен от другого, но основные части в них примерно одинаковы. Принципиальными составными частями прямоточного (когда вода подается из магистрали) парогенератора являются: каркас, котел (внутренняя часть), электронное оборудование.
Каркас парогенератора является основой, на которой размещены все основные функциональные модули. Котел электрическогопарогенератора – это резервуар для воды, в верхней части которого присутствует отделенное пространство защищенное крышкой, крепящейся к фланцу, в котором находятся электрические соединения электродов или ТЭНов. Сами нагревательные элементы расположены внутри котла. Котел устанавливается на опорных ножках. В газовых и жидкотопливных парогенераторах, основой конструкции является стальной свитый кольцами парообразующий змеевик, который находится внутри топочного пространства котла установленного на опорных ногах. Стенки котла изнутри изолированы утеплителем. В топке находится горелка (для газа) или форсунка (для жидкого топлива). Вода в змеевик поступает из специального бака, куда периодически закачивается насосом.
В зависимости от конструкции и назначения, промышленный парогенератор может быть оснащен следующим измерительным оборудованием: датчики уровня жидкости и давления, релейные и автоматические выключатели, различные вентили, амперметры, сигнальные лампы и многое другое. Схема парогенератора может предусматривать наличие предохранительного клапана, который открывается при выходе из строя реле давления. Все вышеперечисленное необходимо для нормального функционирования и контроля над работой парогенератора, в тех или иных условиях.
Принцип работы
Электрические парогенераторы
Вода из магистрального водопровода через вентиль подается в котел парогенератора, наполняя его до тех пор пока уровень воды не покроет определенную часть установленных в котле электронагревательных приборов – электродов или ТЭНов. После этого через воду начинает проходить ток (если нагрев осуществляется электродами) или вода нагревается ТЭНами. Это вызывает закипание и превращение соприкасаемой с нагревателями воды в пар. За уровнем воды в парогенераторе следят датчики наверху и внизу котла. При достижении водой высокого уровня, подача воды прекращается — после сигнала верхнего датчика закрывается впускной клапан. В процессе испарения уровень воды падает, а когда достигает минимально допустимого уровня, срабатывает нижний датчик, клапан открывается, и вода вновь начинает поступать в котел. Получаемый влажный пар отводится из парогенератора через специальный отвод с вентилем.
Газовые и жидкотопливные парогенераторы
В парогенераторах работающих на газе или жидком топливе (мазут, дизельное топливо и т.д.), для нагрева воды используется одна или несколько горелок или форсунок, расположенных в камере сгорания. Стенки камеры сгорания образованы кольцами змеевика, однако существуют конструкции, когда змеевик может быть расположен и в верхней части парогенератора, а горелка или форсунка внизу, хотя принцип нагрева воды и получения пара у них один и тот же. При прохождении воды по спиральной трубе змеевика, она нагревается горелкой и превращается в пар. Если потребителю необходим сухой пар, то, на его выходе из змеевика устанавливают дополнительно сепаратор, где происходит отделение от пара остатков влаги. Таким образом, сухой пар из сепаратора поступает в эксплуатацию, а вода проходит через конденсатоотводчик назад, в бак для питательной воды. Если уровень влажности пара не критичен для потребителя, то он идет напрямую из змеевика в эксплуатацию.
Общие принципы работы парогенераторов
Давление пара внутри котла парогенераторов контролируется при помощи реле давления. Например, если электрическийпромышленный парогенератор по своим параметрам допускает максимальное давление пара 3,3 кг/см2, то при достижении этого значения, реле давления размыкает электрическую цепь и нагревательные элементы котла отключаются от сети. В этот момент нагрев прекращается, но вода продолжает превращаться в пар неостывшими электродами. Как только давление пара внутри котла начинает падать, реле давления вновь «включает» электроды, и нагрев воды продолжается. В топливных парогенераторахрегулированием давления пара и объемом воды занимаются так называемые прессостаты (для агрегатов с несколькими горелками) или регуляторы мощности (для одинарных горелок). Эти устройства повышают или понижают мощность насоса в соответствии с реальным расходом пара. Визуальное слежение за давлением пара в котле осуществляется через наружный манометр.
Разновидности парогенераторов
Электрические
Главным различием устройств данного «семейства» является способ превращения электрической энергии в тепловую энергию, т.е. в пар. а) Самый распространенный способ – это получение пара с помощью ТЭНов различной мощности. Они просты конструктивно, недороги в производстве, удобны в эксплуатации, и их легко заменить при необходимости. б) Парогенераторы электродного типа основываются на электропроводности воды. Суть работы таких парогенераторовзаключается в том, что на электроды, погруженные в воду, подается напряжение, за счет чего через воду начинает проходить электрический ток. Поскольку вода является хорошим проводником, то при прохождении через нее тока начинает выделяться Джоулево тепло, под воздействием которого вода превращается в пар.в) Еще один способ нагрева воды в парогенераторе подразумевает использование ВЧ излучения, или так называемый индукционный нагрев, по принципу действия схожий с работой микроволновой печи. Однако, поскольку ВЧ излучение требует особых мер изоляции излучения от окружающих, этот метод в промышленных парогенераторах применяется очень редко.
Газовые и жидкотопливные парогенераторы
Промышленные парогенераторы прямого сгорания работают на газе, дизельном топливе, мазуте и т.д. Парообразователь такогопарогенератора состоит из одной непрерывной спиралеобразной трубы (змеевика), скрученной таким образом, что представляет собой камеру сгорания, внутри которой находится нагревательный элемент – горелка или форсунка. Автономность парогенераторовэтого типа позволяет устанавливать их внутри компактных контейнерных котельных.
Существуют парогенераторы закрытого и открытого типа. В первом случае, парогенератор предназначен для выработки пара в закрытых системах, предполагающих возврат конденсата обратно в парогенератор для повторного превращения в пар. Во втором случае, парогенератор используют в открытых системах, где конденсат в парогенератор не возвращается.
Где используются
Главным образом промышленный парогенератор можно увидеть на тех производствах, где пар принимает непосредственное участие в технологическом процессе. В частности, парогенератор необходим для таких процессов как: формование, тиснение, сушка или увлажнение, приготовление пищи, уборка и обезжиривание, стерилизация, вулканизация, отопление и т.д. Из перечисленного становится очевидным, что парогенераторы жизненно необходимы в очень большом диапазоне человеческой деятельности, включая почти все отрасли промышленности и коммунальную сферу. В пищевой отрасли парогенератор незаменим при варке колбасных изделий и размораживании мяса, для термообработки консервов и их вакуумной укупорке, для расстойки теста, производства сгущенного молока, многих видов кондитерских, кисломолочных изделий и т. п.
В строительстве промышленный парогенератор применяют для пропаривания бетона, удаления снега и льда с конструкций и арматуры в зимний период. В сельском хозяйстве для запаривания кормов для животных, удаления пуха и пера с забитой птицы, приготовления субстрата для выращивания грибов. В табачной промышленности парогенераторы необходимы для поддержания нужного уровня влажности в производственных помещениях, в деревообрабатывающей промышленности – для сушки пиломатериалов, в легкой – для придания формы швейным трикотажным изделиям в процессе глажки. Медики используют пар для стерилизации инструментов, а виноделы для переработки винограда и фруктов. И это только сотая часть, где парогенератор можно и нужно использовать, дабы добиться максимального успеха в бизнесе.
Интересная информация от партнёров и просто полезные ресурсы:
Парогенератор — усовершенствованная модель утюга
На российском рынке бытовой утюг с парогенератором появился сравнительно недавно и успел завоевать симпатии обычных потребителей. Поэтому интерес к этой новинке растет, и по мере необходимости покупки утюга вопросов становится больше.
Принцип работы
У утюга с парогенератором есть дополнительное название — паровая станция. Состоит она из утюга, соединенного с емкостью для воды шнуром питания и шлангом для прохода пара. Во время работы вода, находящаяся в бойлере, генерируется и нагнетается помпой в отдельном блоке в пар, нагревается и под высоким давлением поступает в утюг. В обычных бытовых утюгах функция подачи пара значительно упрощена, так как в парогенераторе временной интервал ожидания пара будет чуть дольше.
Вода используется как водопроводная, так и очищенная. Количество температурных режимов зависит от конкретной модели и устанавливается по типу ткани. Подачу пара возможно сделать автоматической, не прилагая особых усилий, чтобы постоянно нажимать на соответствующую кнопку.
Преимущества
В обычном бытовом утюге вес играет не последнюю роль, и порой при выборе внимание акцентируется именно на этом. Исходя из того, что в паровой станции емкость с водой расположена отдельно, соответственно, масса утюга получается значительно меньше. Это позволяет разглаживать вещи как горизонтально, так и вертикально.
Преимущество вертикального отпаривания состоит в том, что верхнюю одежду или платье с рюшками, пиджак или шелковую блузку легче разгладить в подвешенном состоянии, не повредив и не испортив при этом саму ткань. Под высоким давлением и в больших количествах пар отлично проникает в структуру ткани и разглаживает даже самый грубый и неподатливый материал.
В большинстве случаев паровые станции имеют съемный бойлер для воды и объемный литраж. Нет необходимости так часто заливать воду, и во многих утюгах с парогенераторами долив воды осуществляется во время работы. Вследствие чего время, затрачиваемое на глажку, сокращается, а количество выглаженной одежды и белья радуют хозяйку.
Для удобства переноски существует встроенная пластиковая ручка, она также служит для фиксации и крепления утюга, что предупреждает внезапное падение при перемещении или во время хранения парогенератора. В определенных моделях вместо ручки есть небольшое углубление в корпусе.
Автоматическая смотка шнура электропитания также предусмотрена во многих типах паровых станций. Его длина порою может достигать размера 4 метров. Но это обусловлено габаритами и размером парогенератора, а также учитывается переноска прибора в работающем состоянии и работы с вертикальным отпариванием.
Качество заливаемой воды в бойлер не столь важно в современных парогенераторах. Для очистки предлагается встроенный картридж или стержень из нержавеющей стали. При наличии картриджа вода автоматически фильтруется внутри, частота его замены на новый варьируется от полугода до году и, конечно, зависит от самой воды. Стержень работает по принципу магнита, как в металлическом электрическом чайнике: нерастворимые соли жесткости, содержащиеся в воде, при нагреве оседают на металле, что образует накипь. То есть накипь, образующаяся в емкости парогенератора, остается на стержне. Чтобы его очистить, достаточно промыть под водой или опустить в раствор лимонной кислоты.
Функция автоотключения утюга в парогенераторе является одной из самых актуальных. Она необходима, в первую очередь, если, работая с утюгом, потребитель вынужден часто отвлекаться. Также нужна и в целях безопасности. Но в любой момент при нажатии кнопки автоотключения в режиме ожидания утюг продолжает работать.
Материал подошвы утюга подразделяется на несколько видов. Самая популярная из них — это металлокерамика: легко чистится, не царапается, не прилипает, бережно разглаживает любой тип ткани и хорошо скользит.
Недостатки
Внушительные габариты парогенератора требуют больше места для хранения. Достаточно массивный вес относят не в положительную сторону этого прибора. За счет парового удара в отдельных случаях на белье остается влага, которая требует времени на просушку. Не во всех моделях предоставлена функция смотки шнура, но есть отсек для хранения. Если бойлер для воды не съемный, то для того чтобы залить порцию воды, требуется выключить прибор и подождать, пока давление спадет. В противном случае можно ошпариться.
Цена хорошего утюга с парогенератором зависит от многих факторов и технических характеристик. Соответственно, бюджет кошелька надо готовить заранее.
Как помощник в хозяйстве он отлично подойдет многодетным семьям; тем, у кого возникают проблемы с разглаживанием жестких или мягких типов тканей, есть необходимость отпаривать шторы и занавески, обновлять и освежать верхнюю одежду в шкафу. Он великолепно справится с горой не глаженой одежды и сократит время до минимума.
Наш магазин осуществляет доставку товаров по всей России, по всем федеральным округам. Подробная информация находится на странице Доставка.
Вернуться к списку статей
Дополнительная информация:
О том, как правильно выбрать парогенератор с утюгом, как за ним ухаживать и чистить его, вы можете узнать из статьи специалиста по гладильному оборудованию — Шахвердян Марата Борисовича.
принцип, устройство бытового парогенератора с утюгом
Если вы мечтаете об идеально разглаженной одежде, или у вас просто много белья для глажки, и обычным утюгом вы не справляетесь, то пора обратить внимание на такой полезный в хозяйстве прибор как парогенератор.
Профессиональные ателье и магазины одежды давно используют его в своей работе. Мы расскажем об основных видах и функциях парогенераторов, их преимуществах и отличиях от пароочистителей, а также о том, как пользоваться и правильно ухаживать за этим полезным бытовым прибором для увеличения срока его службы.
Что такое парогенератор и для чего он нужен?
Парогенератор — это универсальный бытовой прибор, генерирующий мощный выброс пара высокой температуры (до 140°С), за счет чего применяется для решения многих бытовых вопросов:
- Глажка одежды — это, пожалуй, самый популярный пример использования парогенератора. С его помощью можно быстро разгладить даже очень сильно мятое белье и вещи с многочисленными складками. При этом ткань не лоснится, как от утюга. Прибор хорошо разглаживает как тонкие и деликатные, так и самые толстые ткани и несколько слоев белья.
- Почистить, продезинфицировать и удалить неприятный запах с одежды, которую сложно или нельзя стирать.
Например, почистить и придать презентабельный вид изделию из натурального меха или привести в порядок мужской костюм.
- Очищение кафеля, плитки в ванной на полу и стенах, в том числе чистка швов и углов от загрязнений и известкового налета.
- Удаление жира и грязных пятен с поверхности кухонной мебели, фартука, плиты и бытовых приборов.
- Без особых проблем почистить мягкую мебель и ковры от загрязнений.
- Придать свежий вид и удалить пыль с портьер и занавесок даже не снимая их.
- Полная очистка всех поверхностей и удаление неприятного запаха в салоне автомобиля станут необременительной задачей для владельцев авто.
- Парогенератор также окажет неоценимую помощь при удалении старых обоев в процессе ремонта.
- Дезинфекция и гигиеническая обработка мебели, матрасов и постельного белья для избавления от болезнетворных бактерий и насекомых, таких как бельевые клещи и клопы.
У Вас есть парогенератор?
ДаНет
Устройство и принцип работы
Все представленные на современном рынке парогенераторы имеют похожее устройство и различаются параметрами основных технических характеристик и набором дополнительных функций.
В зависимости от скорости подачи пара парогенераторы бывают:
- Бойлерные — наиболее популярный вид паровых устройств.
- Без бойлера — устройства малой мощности и размера.
- С непрерывной подачей воды — прибор содержит два резервуара для обеспечения бесперебойной подачи воды и используется в основном в профессиональных и промышленных областях, например в автомойках.
Из чего состоит парогенератор:
- Бойлер. Обычно изготавливается из нержавеющей стали или термостойкого пластика и представляет собой резервуар для воды с термостатом, нагревательным элементом и предохранителем, защищающим от перегрева.
- Термостойкий шланг для подачи пара из бойлера в утюг.
- Утюг с отверстиями в подошве для подачи пара. Материал подошвы утюга может быть из разных материалов, например из стали или металлокерамики.
- Дополнительные насадки для выполнения разных функций.
- Подставка для утюга с панелью управления для переключения между режимами подачи и температуры выходящего пара, а также лампочки и индикаторы.
Часто содержит отсек для хранения шнура питания.
Принцип работы всех устройств также примерно одинаков:
- в бойлере вода нагревается до образования пара;
- сухой пар поступает по шлангу в утюг;
- при нажатии на специальную кнопку пар резко под давлением выходит из отверстий утюга и тем самым происходит разглаживание ткани.
Преимущества и недостатки парогенераторов
Казалось бы, почему не использовать обычный утюг с функцией пара для глажки белья, чем хорош именно парогенератор и почему именно об этом устройстве мечтают многие хозяйки?
Преимущества парогенератора очевидны:
- Увеличение скорости глажки в 5 раз. Пар, выходящий под давлением, сильнее действует на ткань, и гладить становится намного легче.
- По сравнению с утюгом, в парогенераторе значительно больше емкость для воды, поэтому ее не приходится постоянно доливать и часто отвлекаться от процесса глажки и чистки.
- Легкость манипуляций утюжком обеспечивается за счет расположения резервуара с водой отдельно от самого утюга.
- Сухой пар никогда не оставит следов от воды на одежде, в отличие от обычного утюга.
- Вертикальная подача пара позволяет безупречно гладить вещи на вешалках или шторы прямо на карнизах.
- Нельзя случайно устроить пожар, оставив утюг на ткани, так как подошва не нагревается.
- Легкое и быстрое глажение постельного белья за счет мощного пара, способного пройти через несколько слоев сложенной ткани.
- Отсутствие риска сжечь синтетику и деликатные ткани или повредить декоративные элементы одежды.
- Подходит для работы с мехом и изделиями из кожи.
- Многофункциональность. Паром высокого давления можно не только гладить, но и чистить и дезинфицировать, удалять запахи и уничтожать насекомых, а также применять в других областях, насколько хватит фантазии.
Но нельзя не упомянуть и о некоторых слабых сторонах парогенераторов, которые нужно учитывать, рассматривая к покупке данное устройство:
- Большие габариты. Самая громоздкая часть — это подставка с бойлером для воды, она может занять довольно много места при использовании и хранении.
- Толстый шланг для подачи пара может мешать процессу глажки и показаться не очень удобным.
- При работе прибор издает шум, когда закипает вода и в узел подается пар.
- Если белье влажное, то высушить его подошвой утюжка не получится.
- Высокая стоимость. Устройства, особенно известных производителей, намного дороже обычных утюгов. Некоторые материалы подошвы и дополнительные функции также заметно влияют на увеличение стоимости устройства.
- Как все приборы, нагревающие воду, парогенератор нуждается в регулярном удалении с нагревательного элемента и подошвы утюга накипи.
- Не всегда можно застать в продаже расходные материалы или их стоимость ощутимо высока.
Функции и важные характеристики прибора
Различие по основным параметрам парогенератора и набору функций может влиять на область применения и стоимость прибора.
Основная функция парогенератора — это конечно глажка белья с помощью сухого пара, что дает лучший результат, чем глажка обычным утюгом.
Внимание! Функция вертикального отпаривания позволяет мыть окна, гладить вещи не снимая с вешалок или занавески не снимая с гардин.
Прибор может дезинфицировать и чистить поверхности, для этого в комплект добавляют специальные насадки для очистки кафеля, ковров и мягкой мебели.
Для возможности использования в разных условиях и на разных материалах, прибор должен быть оснащен ступенчатой или плавной функцией регулировки разных режимов температуры и скорости подачи пара:
- температура — регулировка режима от 90 до 160;
- интенсивность регулируется от 0 до максимума.
Другие дополнительные удобные функции, расширяющие возможности парогенератора:
- Сухое глажение — данная функция будет полезна, если необходимо просто погладить вещь без применения пара.
- Разбрызгиватель дает возможность увлажнять ткань при глажении.
- Автоматическое отключение через некоторое время бездействия обеспечивает безопасность эксплуатации прибора.
- Система против капель — функция защиты утечки воды из бойлера.
- Функция самоочистки или защиты от накипи. Название говорит само за себя — одна из самых полезных функций, продлевающих срок службы устройства. Защита может быть реализована в виде сменных фильтров или картриджей для очистки воды, а программа самоочистки может сама отслеживать момент необходимости удаления накипи и оповещать необходимости запуска режима.
Основные технические параметры и характеристики, влияющие на функционал и область применения, а также удобство при больших объемах работ:
- Время нагрева. Время нагрева, как правило, меньше у моделей без бойлера, где нагрев пара происходит у поверхности утюга, у бойлерных оно может достигать 15 минут.
- Мощность. Чем более мощный прибор, тем больше пара он вырабатывает за меньшее время и лучше справляется с задачами. Интервал мощности бытовых парогенераторов от 0,8 до 2,5 кВт. Менее функциональные недорогие модели имеют мощность не выше 1,2 кВт, в дорогих моделях с множеством функций значение мощности начинается от 1,5 кВт и выше.
- Давление пара влияет на степень отпаривания и может быть от 2 до 8 бар, для бытовых нужд более подходит средний показатель в 5 бар.
- Объем бойлера — влияет на производительность и время работы без долива воды, размер резервуара может варьироваться от 0,5 л до 4 л, но для бытового использования достаточно около 1,5 л.
- Прозрачный материал корпуса и мерная шкала обеспечивают лучший контроль за количеством воды в устройстве.
- Материал подошвы утюга влияет на долговечность, удобство и стоимость прибора. Самые лучшие и дорогие подошвы — из тефлона, самые дешевые и ненадежные — из алюминия. Керамика удобна, но легко повреждается, а сталь надежна, но склонна к сильному нагреву.
- Такие параметры, как форма ручки, вес устройства влияют только на комфортность использования, а длина шнура и шланга — зависят от планировки помещения, в котором будет использоваться прибор.
Читайте также, как пользоваться парогенератором Тефаль.
В чем отличие парогенератора от пароочистителя?
Хотя иногда пароочиститель и называют парогенератором и наоборот, но между этими устройствами существует ощутимая разница.
Отличить приборы друг от друга достаточно легко:
- Основное назначение парогенератора — глажка, а уборка и чистка лишь дополнительные функции прибора, тогда как для пароочистителя основная и единственная функция — быстрая и качественная очистка всех возможных поверхностей.
- По внешнему виду парогенератор напоминает утюг на платформе, тогда как пароочиститель больше напоминает швабру или пылесос.
Виды парогенераторов
Определив, в каких условиях и объемах планируется использовать парогенератор, можно выбрать наиболее соответствующий потребностям вид прибора.
Ручные
Компактный недорогой вариант небольшой мощности, отлично подходящий для того, чтобы взять с собой в командировку или на отдых. В быту таким прибором также легко можно поправить вид одежды из легких тканей или занавесок, помыть окно, но вот проводить глобальные работы по глажке постельного белья или махровых полотенец вряд ли получится из-за его малой мощности, да и из-за отсутствия бойлера и совсем малого резервуара для воды.
Напольные
Напольные парогенераторы представляют собой дорогую крупногабаритную мощную установку для глажки, с большим резервуаром для воды, стоящим на полу и штангой для одежды. Сам процесс глажки идет с помощью легкого утюжка. Такие системы отличаются высокой производительностью и подходят для масштабной глажки.
Помповые парогенераторы
Принцип работы помпового парогенератора основан на резком повышении давления в паровой камере за счет быстрого нагревания воды в бойлере. Через выпускной клапан пар резко выходит наружу и обеспечивает более качественное разглаживание за счет большего количества пара.
Комбинированные
Комбинированный парогенератор включает в себя все самые лучшие функции отпаривателя и пароочистителя.
Важно знать! Это многофункциональная станция для самой качественной обработки всех поверхностей и глажки одежды, имеющая в составе всевозможные насадки отвечающие потребностям самых требовательных к чистоте и порядку хозяек.
Отличаются устройства также и достаточно высокой ценой.
Как правильно пользоваться прибором?
Использование парогенератора в быту не вызовет сложностей, главное соблюдать меры безопасности, порядок действий и учитывать некоторые особенности эксплуатации.
Заполнение водой
Перед началом работы первое, что нужно сделать — это залить воду в резервуар:
- Ориентируйтесь на шкалу, чтобы налить достаточно жидкости. Необходимый объем воды указывается в инструкции к прибору.
- Емкости для воды бывают съемные и стационарные. В съемный резервуар можно налить воду прямо из-под крана, отсоединив его от основного прибора. В несъемный бак придется наливать с помощью стакана, под кран прибор помещать нельзя.
- При отпаривании одежды нельзя добавлять в воду различные химические жидкости, отдушки или крахмал.
- Старайтесь не заливать воду выше показателя максимального уровня.
- Следите за испарением и вовремя доливайте жидкость.
- Желательно не оставлять на долгое время остатки воды в бойлере после использования.
Нагревание и подготовка к работе
Включите прибор в сеть и дождитесь полного нагревания, на это потребуется несколько минут. Обычно устройство оборудовано звуковым сигналом или индикатором, сообщающим о готовности устройства.
Внимание! Пар нагревается до высоких температур и при неосторожном обращении может вызвать ожоги кожи, поэтому старайтесь не пользоваться прибором близко от детей и животных и беречь лицо и руки от попадания пара».
После оповещения можно начинать глажение или отпаривание.
Глажение
Перед тем, как приступить к глажению, нужно установить переключатель режимов в положение, соответствующее типу ткани, если парогенератор не оборудован специальным режимом, позволяющим гладить все виды ткани.
Кроме стандартных режимов, таких как «хлопок» или «синтетика» некоторые модели оснащены специальными экономными режимами. Для начала глажения направьте утюг на ткань и нажмите кнопку подачи пара.
В горизонтальном положении
Процесс разглаживания в горизонтальном положении аналогичен глажке обычным утюгом, подача пара при этом идет без перерыва и в большом количестве.
Совет! Чтобы удалить конденсат из шланга, скопившийся за несколько минут бездействия, просто несколько раз нажмите на ручку для выпуска пара.
Вертикальный пар
Для вертикального отпаривания необходимо:
- повесить одежду на вешалку;
- провести утюжком по направлению вниз с верхней части изделия, слегка натягивая ткань;
- шторы отпаривают на гардинах, вытягивая их сначала по центру, а потом снизу;
- для деликатных вещей выбирают щадящий низкотемпературный режим.
Завершение работы
Завершив работу с прибором, утюг нужно установить обратно на подставку. Выключите прибор из сети и убедитесь в том, что он остыл, после чего слейте воду из емкости. Шнур убрать в соответствующий отсек и зафиксировать утюг на подставке.
Долив воды во время работы
Не все парогенераторы позволяют добавлять воду во время рабочего процесса, поэтому если во время глажения возникла необходимость долить воду, обязательно отключите прибор от сети, во избежание ожогов. Залейте воду, как обычно, и заново включите прибор.
При наличии закручивающегося клапана, предварительно приоткройте его для выпуска пара, дождитесь остывания устройства и только после этого заполните резервуар водой.
На нашем сайте можно прочитать, как пользоваться пароочистителем Керхер.
Вы используете для парогенератора водопроводную воду?
ДаНет
Уход за бытовым прибором
Основные правила ухода за парогенератором включают правильный выбор воды и своевременное удаление налета накипи, чтобы сохранить ТЭН в рабочем состоянии и исключить образование пятен и разводов на одежде.
Выбор воды
Современные приборы допускают использование воды из водопровода для залива в резервуар, но все зависит от ее жесткости. Если показатель жесткости высокий, то накипь будет образовываться повышенными темпами и со временем выведет прибор из строя.
Какая вода подходит для использования:
- Для смягчения жесткой воды ее нужно очищать фильтрацией, либо заменить на дистиллированную разбавив пополам обычной водой.
- Возможно использовать специальную жидкость для утюгов, но этот вариант слишком затратный.
- Другой приемлемый вариант – деминерализованная вода.
Важно знать! Для парогенератора не рекомендуется использовать воду в бутылях из магазина, природную из скважины, кипяченую или талую, так как они содержат большое количество остаточных солей и примесей.
Борьба с накипью
Удаление накипи с поверхности утюга и с нагревательного элемента должно проводиться регулярно, примерно после каждого десятого использования и в соответствии с инструкцией к устройству. В дорогих моделях есть функции самоочистки, упрощающие уход за прибором. Очень сильные отложения на нагревателе следует доверить сервисному центру.
Внимание! Производители не рекомендуют использовать для очистки уксусную кислоту и средства для удаления накипи.
Процесс удаления накипи обычно не занимает много времени при встроенном режиме «Очистка». Если этого режима нет, просто разогрейте бойлер до максимальных значений температуры и работая рычагом опустошить емкость над раковиной. Как почистить парогенератор Филипс от накипи, подскажет эта статья, Тефаль – эта.
Как видите, прибор действительно полезный и несложный в использовании, главное соблюдать осторожность при работе с горячим паром и своевременно и правильно очищать прибор от накипи. Если учесть, что сферы эффективного применения парогенератора намного шире других похожих приборов, и он один может заменить несколько устройств, то это делает его уникальным универсальным и незаменимым в быту прибором.
Загрузка …Видео об устройстве парогенератора
youtube.com/embed/ZZ_LTKGtU14?feature=oembed» frameborder=»0″ allow=»accelerometer; autoplay; clipboard-write; encrypted-media; gyroscope; picture-in-picture» allowfullscreen=»»/>
Автор статьи
Комарова Галина
Эксперт в области клининга с 20-летним стажем. Рассказываю, как достичь желаемых целей в уборке дома используя народные или профессиональные средства.
Написано статей
устройство, принцип работы, схема, видео
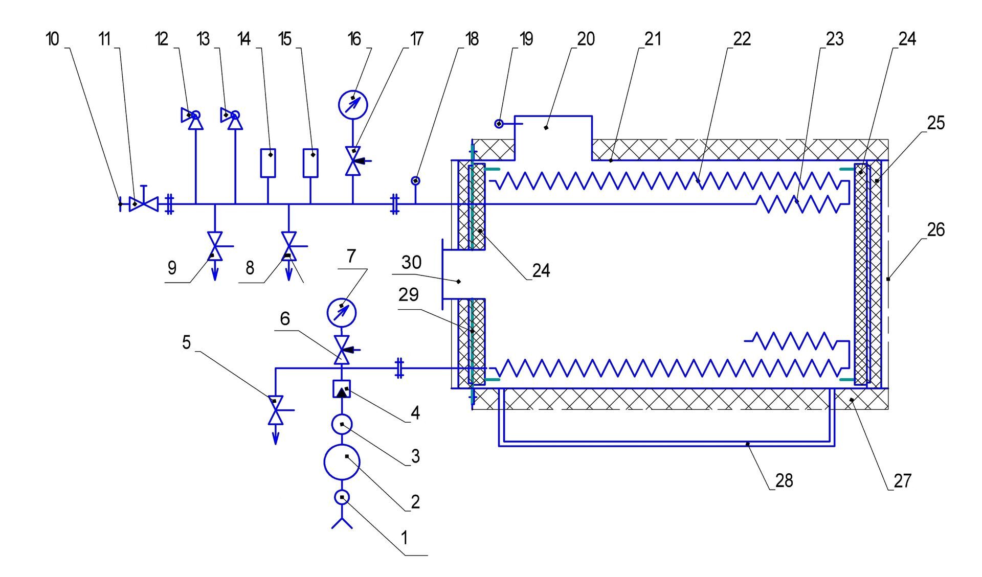
Удачной считается парная, в которой можно дать пар любой влажности и температуры. Дело это не такое простое, как может показаться на первый взгляд. Угадать с характеристиками каменки сложно, часто приходится добавлять теплоотдачу топки печи или увеличивать мощность ТЭНов. Еще один вариант – оставить в покое печку, пусть все тепло идет на прогрев помещения, а для пара сделать парогенератор своими руками. Такая схема даст возможность подбирать нужный микроклимат в широком диапазоне, от горячей сауны до прохладной турецкой бани — хамам.
Отличная идея – собрать парогенератор для бани из гидроаккумулятора
Как работает парогенератор
Рынок аксессуаров для бани перенасыщен предложениями всевозможных устройств для генерации пара под любой тип парилки. Очень красивые, с никелированным корпусом и полированными алюминиевыми накладками. Подавляющее большинство предлагаемых парогенераторов работают по одной и той же схеме:
- Очищенная вода подается на нагреватель, чаще всего электрический ТЭН или труба на твердотопливной топке;
- Происходит испарение жидкости;
- Под небольшим давлением пар выбрасывается в помещение парилки.
Процесс нагрева, как правило, контролируется автоматикой, термостатом, электрические цепи обязательно подключаются к сети через блок УЗО. Все достаточно безопасно и надежно, но толку от таких парогенераторов в бане немного. Пар наполняет объем бани и быстро конденсируется. Влажность воздуха подскакивает до 80-90%, а температура не меняется. Вместо комфортного микроклимата получаем очень горячий влажный воздух.
Классический вариант парогенератора для квартирной бани
Совет! Такой генератор пара идеально подойдет для турецкой бани, именно для хамама, в большей части малогабаритных квартирных моделей, и был придуман прототип первого парогенератора, принцип действия которого впоследствии просто был тупо скопирован производителями из Китая и стран Юго-Восточной Азии.
Поэтому покупать генератор влажного пара имеет смысл лишь для домашней турецкой парной, отделанной керамической плиткой. В остальных случаях лучше сделать своими руками самодельный парогенератор. Если сделать все правильно, то процесс прогрева, температуру и влажность воздуха в бане можно будет регулировать с большей точностью, а кроме того, сама конструкция в изготовлении обойдется намного дешевле.
Устройство парогенератора
Конструктивно генератор пара представляет собой обычный нагреватель и испаритель воды. По принципу работы парогенератора функционируют лучшие модели кофеварок и пароварок, так что проблем с изготовлением устройства для собственной бани явно не будет.
В перечень комплектующих деталей генератора входят:
- Емкость для нагрева и испарения воды;
- Источник тепла — один-два ТЭНа или трубчатый подогреватель на твердом топливе;
- Бак для подвода холодной воды в греющую часть подогревателя;
- Набор кранов и гофрированных трубопроводов;
- Аварийный клапан сброса избыточного давления пара;
- Автоматика управления процессом нагрева воды.
В более сложных моделях можно встретить дополнительные устройства для ароматизации пара, очистки от накипи, дополнительную наружную термоизоляцию корпуса. Все это хорошо и нужно, но настоящий парогенератор будет работать и без ароматизатора или чехла из пленки или пены. Единственным полезным дополнением будет установка фильтра дополнительной очистки воды, да и то лишь в случае, если для бани кипяток готовится, что называется, из центральной сети водоснабжения. Для дождевой или очищенной фильтр не нужен и даже вреден в условиях бани.
Слева от основной емкости парогенератора установлен электрический датчик уровня. Очень полезная штука, пригодится не только для бани.
Схема парогенератора
Существует четыре способа нагреть воду до состояния кипятка с получением пара в помещении бани:
- Электрическим нагревателем с нихромовой спиралью внутри;
- Подогревом в индукционном нагревателе;
- Электродным нагревателем;
- С помощью трубы – теплообменника, вмонтированного в топку на твердом топливе.
Наиболее доступный и удобный в условиях бани предполагает использование промышленных нагревателей — ТЭНов. Лучше всего в титановом корпусе, так как воду из емкости с кипятком никто пить в бане не будет, то модели с медным покрытием или позолотой не требуются. Мало того, из практики давно известно, что любые бытовые нагреватели служат в условиях бани всего лишь несколько месяцев. Нужно искать именно промышленные модели, рассчитанные на эксплуатацию при постоянном перегреве.
Совет! Для электрического парогенератора лучше всего использовать ТЭНы со встроенными датчиками температуры, как в системах нагрева воды в современных стиральных машинах.
Второй способ нагрева воды до состояния кипения предполагает использование индуктивного нагрева. Он также подойдет для изготовления генератора пара, но если планируется сделать своими руками для хамама парогенератор, встроенный в стену. Электронику и греющую часть можно взять от микроволновки.
Третий способ считается одним из лучших для постройки парогенератора. По сути, это два электрода из нержавейки, погруженные в воду и подключенные к электрической сети. Такой парогенератор обладает исключительной надежностью и высокой производительностью, но в условиях бани его не применяют из-за высокого напряжения. Основное назначение — это сварочные работы в защитной среде и паровая мойка и чистка вещей.
Парогенератор на твердом топливе для бани подходит идеально, но он не так удобен, как электрический вариант. Кроме того, нужно будет вносить изменения в конструкцию печки-каменки.
Как сделать парогенератор
Прежде всего нужно будет определиться с мощностью генератора пара и его размерами. Для этих целей лучше всего использовать рекомендации по выбору мощности нагревателя в зависимости от объема парного отделения бани.
Далее выбираем объем емкости для воды. Обычно принимают, что на каждый 1 кВт/ч необходимо не менее 2-2,5 литров воды. К полученному объему добавляем еще столько же пространства в расчете на то, что в нормальном режиме емкость будет заполнена наполовину. Это обеспечит достаточную производительность, не будет оголения нагревательных элементов и заброса кипятка через выходное отверстие в помещение бани. То есть для двухкиловаттного ТЭНа парогенератора потребуется емкость не менее 6 л.
Какой вариант выбрать для собственной бани
Сразу нужно сделать оговорку, электродные и индукционные генераторы оказываются слишком небезопасными, чтобы строить и использовать их собственными руками в личной бане. Гораздо проще построить классический вариант парогенератора на ТЭНе или же установить в котел на твердом топливе так называемую паровую пушку или башню.
Варианты паровой пушки для засыпной каменки
Паровая труба или пушка отличается от обычного парогенератора принципом действия. Если в генераторе пар подается в парное отделение бани небольшими порциями, то пушка выдает огромное количество перегретого и сухого парового потока, накрывающего огромную площадь вокруг печки.
Конструктивно пушка представляет собой трубу из нержавеющей стали с перфорированными патрубками — отводами в нижней части. Паровую башню устанавливают в каменку печи и закладывают засыпкой.
Если нужно прогреть парилку бани, в раскаленную трубу через лейку заливают кипяток, очень горячий и сухой пар буквально выстреливает по сторонам от печи. Сделать паровую пушку для бани своими руками намного проще, чем строить генератор.
Можно использовать гофрированный металлический шланг или сварить из нержавейки «паук». Главное, чтобы после установки устройства точно знали направление выброса горячего пара, иначе можно получить тяжелые ожоги.
Используют пушку преимущественно для парилок большого объема, от 12 м3 и более. Если очень хочется, то для домашней или квартирной бани можно использовать модель, встраиваемую в стену.
Чем самодельный вариант парогенератора отличается от фабричного
Для того чтобы получить пар высокого качества, необходимо предусмотреть регулировку влажности горячей струи. У недорогих фабричных генераторов пара, как правило, имеется возможность регулирования расхода и интенсивности воды в баке. В более дорогих моделях уже имеется распыляющая пар форсунка и воздушная турбина, благодаря которой горячий поток выбрасывается на большое расстояние.
В парогенераторе высокого качества пар подается в помещение бани через жаровую насадку
В хороших итальянских парогенераторах обязательно предусмотрена осушительная насадка для пара или, проще говоря, жаровая труба. Обычный пар, истекающий из парогенератора, примерно на 40% состоит из капелек воды. Через 15-20 минут после работы генератора атмосфера в бане становится горячей, тяжелой и влажной. Поэтому на выходе устанавливается нержавеющая труба со встроенным нихромовым нагревателем. Проходя через нее, поток прогревается до 250оС и высушивается до 10% влажности. Примерно, как в лучших моделях каменки. В результате воздух в бане становится горячим, но сухим и легким для дыхания, быстро потеешь, и никаких ожогов. Именно ради такой атмосферы направлены все усилия по строительству парогенератора для бани.
Такую насадку несложно сделать для парогенератора своими руками, многие мастера переделывают профессиональные модели сушильных фенов. В этом случае воздушный поток в 450-500оС продувается через выходящий пар. Сама жаровая насадка без парогенератора неэффективна, только пережигает воздух. Но можно и не усложнять конструкцию и сделать парогенератор по типовой схеме для турецкой бани.
Инструменты и материалы для работы
Подбор необходимого инструментария обычно не вызывает проблем. Гораздо сложнее с комплектующими и материалами.
Из инструментов потребуется:
- Болгарка с комплектом отрезных кругов;
- Электрическое точило;
- Ножницы по металлу;
- Несколько слесарных струбцин;
- Сварочный инвертор с регулируемыми силой тока и полярностью.
Лучше, если есть аргоновая сварка или углекислотный полуавтомат;
- Электродрель с комплектом сверл;
- Набор торцевых и рожковых ключей.
Кроме того, для проверки парогенератора потребуется автомобильный компрессор, большая емкость с водой, мелкий слесарный инструмент и приспособления.
Из материалов нужны будут две емкости из нержавеющей стали на 10 л и на 3 л, запорные краны для горячей воды, металлический гофрированный шланг или медные трубки на 10 мм, аварийный клапан сброса давления пара. Особое внимание уделяем подбору бака или емкости. Если планируется сварить корпус из листового металла, то предварительно нужно будет проверить качество электродов или проволоки и подобрать оптимальный режим сваривания.
Выбор емкости
Бытует мнение, что наилучшим решением для парогенератора финской бани будет баллон для хранения газа на 6-10 л. Часто выбирают емкости для хранения фреона, изобутана, пропана, углекислого газа и даже кислорода. Баллоны используют для строительства парогенератора повышенного давления. Обычно берут малогабаритные кислородные и углекислотные емкости с толщиной стенки не менее 5-8 мм.
Если делать парогенератор из баллона, то лучше всего использовать старый, но еще целый опрыскиватель
Из баллона можно сделать парогенератор, в котором вода будет кипеть под давлением, как в паровой машине. Можно встретить модели генераторов с рабочим давлением до 3 Бар, но бывают и выше. Смысл такой конструкции из баллона заключается в том, что паровой поток прогревается до более высокой температуры, порядка 120-140оС, поэтому пар в бане получается более горячим и сухим.
На практике изготовить парогенератор для бани из баллона по силам только опытному мастеру сварщику:
- Нужно будет емкость разрезать, внутри промыть от грязи;
- Установить в стенку ТЭН или даже блок электронагревателей;
- Вмонтировать трубку подачи воды, аварийный клапан сброса и манометр для горячих сред;
- Собрать баллон, сварить или соединить с помощью приваренных фланцев.
Даже если удастся сделать такой генератор в бытовых условиях, все равно конструкция будет небезопасной для эксплуатации ее в бане, а ощутимых преимуществ у такого парогенератора нет. Кроме того, будет затруднен ремонт и обслуживание устройства, а по отзывам многих самодельщиков, пар в бане получается с запахом ржавчины.
Для домашней бани лучше всего использовать готовую емкость. Идеально для строительства парогенератора подойдет пароварка на 5-20 л. Крышка легко снимается, имеется готовый клапан сброса избыточного давления. Нужно лишь установить ТЭНы и питающую трубку для подвода горячей воды.
Из скороварки получаются лучшие парогенераторы для любой бани
Можно сварить прямоугольную емкость из листовой нержавейки, толщиной 1,5 мм. Из всех вариантов для бани это наилучший, срок службы устройства неограничен, да и с запахом проблем не будет.
Установка нагревательных элементов
Модель электронагревательного блока приходится подбирать исходя из размеров и формы главного бака парогенератора. Для пароварки лучше всего подойдет ТЭН с круглой петлей. Для узкого и вытянутого парогенератора лучше всего использовать классические U-образные нагреватели в титановом корпусе.
Для установки нагревателей нужно будет вырезать отверстие в стенке бака, так, чтобы греющая часть отстояла от дна на расстоянии 20-25 мм. Монтажный корпус ТЭНа состоит из двух половинок, как правило, из термостойкого пластика. Нужно будет уложить прокладку из термостойкого силикона и вставить в отверстие ТЭН, наружную часть корпуса и стянуть нагреватель ключом или отверткой.
Самозатягивающиеся нагреватели от стиральных машин в парогенераторах для бани практически не применяются из-за характерного способа крепления. Такой ТЭН можно поставить в генератор низкого давления, но для этого потребуется вварить в стенку бака переходное кольцо.
Монтаж дополнительных элементов
Мощностью и количеством выделяемого ТЭНом тепла нужно управлять, желательно плавно, но можно и ступенчато. Иначе париться в бане будет невозможно или даже небезопасно. Если в парогенераторе установлен блок из нескольких нагревателей, то имеет смысл подключить их к сети параллельно, а для включения–выключения поставить несколько пакетников на 16 А.
Для бани все же более предпочтительной будет плавная регулировка нагрева, поэтому в парогенераторе часто используют один ТЭН, подключенный к электронному регулятору напряжения.
Кроме электрических компонентов, в парогенератор нужно будет установить:
- Питающий кран, перекрывающий поступление воды из системы водообеспечения бани;
- Сливной кран для удаления мусора и накипи по окончании работы;
- Тепловое реле, отключающее ТЭНы при перегреве;
- Аварийный клапан сброса избыточного давления.
Еще один очень важный элемент – заземление и блок УЗО. Они должны быть в бане в любом случае. «Землю» подключают к корпусу нагревателя, блок защиты нужно будет монтировать за пределами бани, лучше на входе в помещение парилки. Если в конструкции парогенератора используется жаровая труба, то для нее нужно будет отдельно делать «землю», устанавливать регулятор мощности и тепловое реле.
Организация притока воды
Для устойчивой и главное — безопасной работы аппарата в условиях бани уровень жидкости внутри должен быть постоянным, тогда и поток пара будет стабильным, и проблем с перегревом ТЭНа не будет.
Для подвода воды используют схему сообщающихся сосудов. Вода попадает в парогенератор через дополнительную емкость или блок, присоединенный через медную или гофрированную трубку.
Блок представляет собой емкость цилиндрической или прямоугольной формы, внутри которой находится поплавок с кулисой и запорным клапаном. Поплавковый стакан, равно как и остальные части, можно взять из деталей запорного механизма сливного бачка. Специалисты рекомендуют для бани пластиковый поплавок заменить металлическим.
Доработка клапанов
Для стабильной и безопасной работы парогенератора, помимо автоматики — платы регулятора мощности нагрева и реле перегрева, в конструкции используются два дополнительных клапана. Первый еще называют паровым, в его функции входит сброс избыточного давления пара, если основная форсунка по каким-либо причинам забилась или закоксовалась известковым налетом.
Обычно это небольшой цилиндр или шарик, нагруженный дополнительным весом в виде массивной латунной головки. Для обычной бани можно использовать клапан от скороварки, ничего даже переделывать не потребуется.
Скороварка это почти готовый парогенератор
Если же парогенератор делается для русской бани или сауны, и давление внутри бака с кипятком будет заведомо больше 1 Бар, то в емкость нужно будет врезать дополнительный клапан с электрическим мембранным датчиком давления. В его функцию входит контроль за работой нагревающего элемента. Как только давление в парогенераторе превысит безопасный уровень, контакты в мембране разомкнутся, и плата отключит нагрев.
Важно! Датчик контроля избыточного давления должен стоять в парогенераторе любой модели, иначе устройство нужно будет ставить за пределами парного отделения бани.
Если нет возможности установить полноценный датчик, можно использовать устройства от ресиверов воздушных компрессоров или, на крайний случай, поставить клапан от бытового опрыскивателя.
Проверка безопасности работы парогенератора
Устройство для генерации горячего пара нельзя использовать в бане, пока генератор не прошел полноценную проверку. Первым делом проверяют работу УОЗ. Защита должна срабатывать, если отключить шину заземления бани.
Далее нужно проверить герметичность бака парогенератора. Для этого подключаем к выходному штуцеру шланг от автомобильного компрессора и накачиваем емкость избыточным давлением. В парогенератор для турецкой бани достаточно будет 1,5 Бар.
Важно! Модели генераторов, дающих в бане высокотемпературный пар под давлением в несколько атмосфер, проверяют на утечку только при условии полного заполнения емкости водой. При этом проверочное давление должно быть на 1,5-2 Бара выше рабочего.
Третий этап – проверка срабатывания контрольных клапанов и их регулировка. Парогенератор нужно прогреть погружением в кипяток и одновременным накачиванием воздуха компрессором.
Четвертый этап – проверка теплового реле ТЭНа:
- Для этого нужно выкрутить форсунку, через которую происходит подача горячего пара в помещение бани;
- Налить в бак небольшое количество воды и перекрыть подачу от поплавкового устройства;
- Включить нагреватель на короткое время и довести воду до кипения.
Проверку лучше проводить в реальных условиях прогретой бани. Биметаллическое реле должно отключать перегревшийся ТЭН при атмосферном давлении и температуре окружающего воздуха 50-65оС. Если этого не происходит при испытании, то реле не сработает и в реальных условиях бани.
Монтаж парогенератора
Если все элементы генератора успешно опробованы, то можно собирать и испытывать устройство в реальных условиях бани. Парогенератору низкого давления достаточно дать поработать полчаса, чтобы убедиться в отсутствии проблем. Генератор высокого давления запускают работать в пустой бане в течение 1- 2 ч.
На что обращаем внимание при сборке
Все детали, стыкуемые на резьбовых соединениях, должны собираться с использованием силиконовых прокладок или термостойкого автомобильного герметика. Холодную часть устройства можно собирать с использованием фум-ленты для горячей воды.
ТЭН в парогенератор должен устанавливаться на гайках и прокладках
Наиболее сложным этапом считается врезка ТЭНа в стенку бака. Для парогенератора турецкой бани нагреватель можно ставить с уплотнением на силиконе. Для устройств высокого давления используют блоки из нескольких нагревателей с прочным фишкой-корпусом из термостойкого пластика.
Одиночный нагреватель нужно врезать в стенку пайкой твердым припоем, серебряным или латунным. Олово использовать нельзя, трубчатый корпус элемента нагревается до почти 300оС, поэтому при длительной работе в бане парогенератор наверняка выйдет из строя.
Как сделать парогенератор своими руками: видео
Существует множество версий и схем генераторов пара, как сухого, так и влажного. Многие из доступных моделей работают в условиях бани не один год, некоторые выходят из строя за пару часов. Можно использовать для изготовления парогенератора своими руками видео
Результат эксплуатации подобных устройств в условиях бани можно увидеть на видео
Особенности сборки твердотопливного парогенератора
Некоторые схемы генераторов пара, считающиеся наиболее удачными, приведены ниже.
Лучший вариант парогенератора, то который греет и не ломается
Из шести конструкций наиболее удачной считается первая, известная, как «паровоз Бессонова». Парогенератор получился достаточно сложным, поэтому нужно обратить внимание на несколько важных узлов:
- В пробке бака обязательно устанавливают клапан регулировки давления в емкости, иначе вода может закипеть и «выстрелить» через колено в потолок бани;
- U-образное колено нужно делать либо составным, либо использовать гофрированный металлический шланг. Расход пара в бане невелик, поэтому будет достаточно полудюймового сечения.
Все соединения, кроме гофра, должны выполняться сваркой, температура в топке достаточно высокая. Если этого не сделать, парогенератор будет сифонить кипятком, и пара в бане не будет.
Распространенные причины поломок и их ремонт
Практически всегда парогенераторы ломаются из-за некачественной пайки – сварки деталей и использования обычной водопроводной воды. Накипь забивает форсунки, блокирует работу поплавка подачи холодной воды и интенсивно выпадает на ТЭНах. Генератор на неочищенной воде может выйти из строя после 10-15 часов работы в бане.
Если была обнаружена течь на паяном или сварном шве, то нужно проверять все соединения аналогичного типа. Поврежденные стыки можно запаять только в точке раскрытия шва. Если речь идет о сварке, то проваривается вся линия, от ребра до ребра.
Заключение
Идея собрать парогенератор своими руками может показаться слишком сложной и неподъемной для обычного самодельщика. На самом деле в конструкции нет ничего сложного, большинство операций выполняются самостоятельно, лишь установка ТЭНов может потребовать участия специалиста. Если используются все элементы безопасности, проблем с работой генератора в бане не будет.
Отправить комментарий
как выбрать, устройство и уход за устройством
Всем хорошо известен оздоравливающий эффект русской бани.
Влажный пар, воздействуя на тело, очищает поры кожи, стимулирует кровообращение, дает отдых практически всем органам, способствует выведению из организма шлаков.
В бане человек расслабляется и отдыхает.
Но не у всех имеется возможность заиметь хотя бы небольшую парилку.
Что уж говорить об относительно большом помещении, оборудованном печкой-каменкой.
На выручку приходит компактный парогенератор.
Такое устройство может быть использовано:
- в загородном доме,
- на даче,
- в обычной городской квартире.
Теперь каждый желающий может создать банное помещение нужного объема в любом подходящем помещении.
Плюсы:
- Парогенератор работает от электросети, не требует выведения дымохода.
- Его установка очень проста.
- Сложное оборудование отсутствует. В прибор заливается вода, которая нагревается тэнами до температуры образования пара.
- Заданную температуру можно выставить пультом управления, а генератор сам будет поддерживать ее постоянной.
- Температурные датчики способны изменять температуру пара от 20 до 90 градусов.
На практике это означает, что достаточно установить желаемую температуру, а парогенератор обеспечит ее автоматическое поддержание в помещении.
Кроме того, он регулирует еще и влажность в парилке.
Парогенератор может полноценно заменить собой традиционную каменку, являясь, в то же время, более экономным и эффективным средством образования пара.
Да и пар по своему качеству является более мягким, чем тот, который образуется от поливания раскаленных камней.
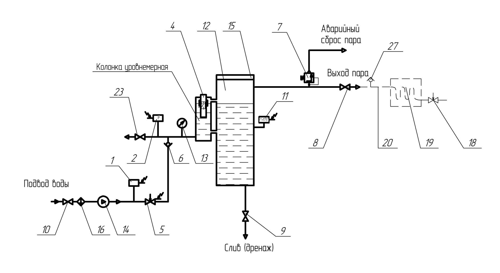
Устройство парогенератора
- Все внутренние элементы находятся в металлическом корпусе.
- Нагревателями являются тэны, мощность которых бывает различной.
- Там же находятся бак для воды, реле включения обогрева, датчики уровня и блок управления.
- Снаружи корпуса выведены патрубки для заполнения бака и слива из него воды, а также для вывода образовавшегося пара.
- Температурные датчики могут быть отдалены от корпуса. Это дает возможность расположения парогенератора за пределами парной, а датчиков — в самой парилке.
- Управление температурой пара осуществляется с пульта.
Датчики уровня определяют, когда необходимо долить воду в бак.
При этом срабатывает электромагнитный клапан, открывая подачу воды к тэнам. Когда уровень достигнет верхнего датчика, подача воды прекращается.
Весь процесс происходит автоматически и не требует вмешательства человека.
Какая мощность нужна?
Поскольку парогенераторы оборудуются тэнами различной мощности, необходимо представлять себе объем помещения, которое будет обслуживаться.
- Так, для небольшой парилки объемом 4 кубометра, достаточно мощности генератора 4-5 кВт.
- Большее помещение, около 10-12 кубометров, требует мощности порядка 8 кВт.
- В большой бане с объемом около 18 кубов, требуется установка мощного парогенератора не менее 12 кВт.
Правильный уход
Основной уход заключается в своевременной очистке тэнов от накипи.
Проводить такую чистку следует регулярно, по мере образования накипи.
Использовать для этого лучше всего лимонную кислоту и обычную воду.
При своевременном профилактическом уходе устройство будет без нареканий служить десятки лет.
Если все же тэн перегорел, то его можно заменить.
Также важно сливать остатки воды из бака после каждого использования.
Помимо основного источника парогенератор можно использовать как дополнение к уже имеющейся печке.
В этом случае печь будет поддерживать температуру, а парогенератор будет служить поставщиком пара и регулировать уровень влажности в парной.
Парогенератор— обзор
8.4 Выводы
Парогенераторы являются важнейшим компонентом атомных электростанций как с точки зрения работоспособности, так и с точки зрения безопасности. Они служат для охлаждения первого контура и, следовательно, активной зоны ядерного топлива. Они также производят пар, приводящий в действие турбины, вырабатывающие электричество. С точки зрения безопасности риски, связанные с повреждением этих компонентов, включают потерю герметичности второго барьера (SGTR, утечки в дренажных каналах или трубах, отходы резервуара) или ухудшение охлаждения топлива из-за недоступности парогенератора.По своей конструкции это компонент, предназначенный для довольно суровых условий эксплуатации, с тепловыми потоками, теплообменами, средами кипения, условиями щелей и тонкими материалами для пучка труб. Неудивительно, что коррозия, с различными формами возникновения, была серьезной проблемой для этих компонентов с высокими промышленными ставками и безопасностью.
Эти проблемы послужили поводом для многих изменений в конструкции парогенераторов (например, геометрия опорной плиты для труб и марка стали, глубина щелей, процесс расширения трубы до трубной решетки, сорта материала для труб) и методов эксплуатации с более строгими химическими требованиями с течением времени. .Такое развитие отложило повреждение от коррозии до более поздних стадий эксплуатации, хотя устойчивость парогенераторов к коррозии не может быть полностью гарантирована.
Значительные усилия были приложены для понимания феноменологии различных потенциальных коррозионных повреждений, но в настоящее время не было найдено решений для всех из них. Еще предстоит большая исследовательская работа для оценки критических элементов, необходимых для решения этих проблем на вторичной стороне. Возобновление интереса к исследованиям деградации парогенераторов, кажется, появляется в связи с новыми зарегистрированными на местах событиями или проблемами долгосрочной эксплуатации.
В конечном итоге наиболее эффективным решением для предотвращения коррозии парогенераторов остается хорошая производственная конструкция и качество, а также точный контроль как химического состава, так и чистоты компонентов вторичной стороны. В частности, более устойчивая или устойчивая конструкция и материалы не могут привести к ослаблению характеристик водно-химического режима при длительной эксплуатации. Наконец, как постоянно напоминает нам опыт эксплуатации, устойчивость к коррозии — это иллюзия.Соответственно, вышеупомянутые меры предосторожности должны дополняться надежным и регулярным неразрушающим контролем.
Электрические парогенераторы, электрические котлы, миниатюрные котлы, небольшие электрические котлы
Process
Электрические парогенераторы
Продукты питания и напитки
Системы паровой очистки
Созданы с превосходной надежностью, эффективностью и
Ваша Безопасность в уме- Внесены в список UL и cUL
- Все электрические — безопаснее, чем агрегаты, работающие на топливе
- Прямое подключение к стандартным сетям во время установки
- Пар высокого давления или перегретый пар, готовый к использованию через 15 минут
- КПД 98% без предварительной -подогрев питательной воды
- Изготовлен из доступных запчастей самого высокого качества
- Самый надежный из всех миниатюрных электрических парогенераторов
- Один год гарантии на все детали и пять лет гарантии на камеру
Большая часть оборудования может быть доставлена всего за один неделя!
Важность очистки паром в производстве напитков
В производстве напитков пар имеет решающее значение для соответствия строгим отраслевым стандартам безопасности и санитарии на перерабатывающих предприятиях.
СКАЧАТЬ ЭТУ КНИГУ СЕЙЧАС!8 причин для использования сухой очистки паром
Использование пара сухого пара для дезинфекции конвейерных лент и другого оборудования дает множество преимуществ.
СКАЧАТЬ ЭТУ КНИГУ СЕЙЧАС!Применение пара в фармацевтической и нутрицевтической промышленности
Фармацевтическая промышленность и промышленность по производству нутрицевтиков требуют воды и пара высокой чистоты, которые соответствуют их стандартам для безопасного и чистого использования. Чистые парогенераторы — простое и доступное решение для этой задачи.
СКАЧАТЬ ЭТУ КНИГУ СЕЙЧАС!Электрические парогенераторы и пароочистное оборудование в соответствии с вашими требованиями
Electro-Steam предлагает широкий спектр стандартных моделей, которые можно настроить в соответствии с вашими потребностями. Если ваши требования не могут быть выполнены с помощью одного из наших стандартных решений, мы можем изготовить индивидуальные парогенераторы или мини-котлы в соответствии с вашими требованиями. Мы предоставили компаниям по всему миру безопасные, эффективные и простые в использовании электрические парогенераторы для очень широкого спектра применений, а также оборудование для очистки паром для пищевых продуктов и напитков.
Рекомендуемые продукты
С 1952 года компания Electro-Steam является ведущим производителем парового оборудования для широкого спектра коммерческих и промышленных процессов и применений. Ниже представлена лишь часть нашей полной линейки стандартных и настраиваемых электрических паровых устройств.
Свяжитесь с Electro-Steam сегодня
По телефону или электронной почте, ваши потребности будут обработаны быстро и точно, при этом большая часть заказов будет отправлена в тот же день.
8 причин для использования сухой очистки паром
Использование пара сухого пара для дезинфекции конвейерных лент и другого оборудования дает множество преимуществ.В нашей электронной книге « 8 причин использовать сухую паровую очистку » мы выясняем, почему этот процесс:
- Безопаснее
- Более рентабельно
- Лучше для окружающей среды
Отзывы
«Лаборатории гемостата были использую Электро-паровые котлы почти 40 лет. Наши котлы должны надежно работать в самых суровых условиях, и продукция Electro-Steam никогда нас не подводила!
Когда пришло время списать наш самый старый агрегат, сделанный в 1977 году, мы без колебаний заменили его на обновленную версию от Electro-Steam.
Я уверен, что по мере того, как наша компания продолжает расти, мы будем полагаться на Electro-Steam для удовлетворения наших будущих потребностей в паре ».
Гордон Мерфи
Вице-президент
HemoStat Laboratories
«Этим письмом мы подтверждаем, что Giant купила машину 39331 для производства газовых водонагревателей, и эта машина проработала на 100% в течение 8 лет.
Это для нас система, которая не может дать сбой, и эта машина отлично справляется и работает, и мы купим еще одну, чтобы увеличить производство.Это очень надежная машина для производства.
Я уверен, что по мере того, как наша компания продолжает расти, мы будем полагаться на Electro-Steam для удовлетворения наших будущих потребностей в паре ».
Клод Лесаж
Президент
GIANT Factories Inc.
Парогенератор — статья энциклопедии
(PD) Фото: Yo-sei ShoshiРисунок 1: Электростанция Токийской электроэнергетической компании (TEPCO) в Иокогаме, Япония, работающая на сжиженном природном газе (СПГ).
- Для получения дополнительной информации см .: Steam .
Парогенератор — это устройство, которое использует источник тепла для кипячения жидкой воды и преобразования ее в паровую фазу, называемую паром. Тепло может быть получено при сгорании топлива, такого как уголь, мазут, природный газ, бытовые отходы или биомасса, ядерный реактор деления и других источников.
Существует множество различных типов парогенераторов, от небольших медицинских и бытовых увлажнителей до больших парогенераторов, используемых на обычных угольных электростанциях, которые производят около 3500 кг пара на мегаватт-час производства энергии.На соседней фотографии изображена электростанция мощностью 1150 МВт с тремя парогенераторами, которые вырабатывают в общей сложности около 4 025 000 кг пара в час.
Многие небольшие коммерческие и промышленные парогенераторы именуются «котлами» . Обычно бытовые водонагреватели также называются «котлами» , однако они не кипятят воду и не производят пар.
Эволюция конструкций парогенераторов
(CC) Чертеж: Ruben CastelnuovoРисунок 2: Упрощенная принципиальная схема пожаротрубного котла.
- Жаротрубные котлы [1]
В конце 18 века для производства пара на промышленных предприятиях, железнодорожных локомотивах и пароходах стали широко использоваться различные конструктивные исполнения жаротрубных котлов. Жаротрубные котлы названы так потому, что газы продуктов сгорания топлива (дымовой газ) проходят через трубы, окруженные водой, содержащейся во внешнем цилиндрическом барабане (см. Рисунок 2). Сегодня паровозы и речные суда практически исчезли, а жаротрубные котлы не используются для производства пара на современных электростанциях.
Тем не менее, они все еще используются на некоторых промышленных предприятиях для выработки насыщенного пара при давлении примерно до 18 бар и со скоростью примерно до 25000 кг / час. [2] В этом диапазоне жаротрубные котлы отличаются низкими капитальными затратами, эксплуатационной надежностью, быстрой реакцией на изменения нагрузки и не требуют высококвалифицированного персонала.
Основным недостатком жаротрубных котлов является то, что вода и пар содержатся внутри внешней цилиндрической оболочки, и эта оболочка имеет ограничения по размеру и давлению.Растягивающее напряжение (или кольцевое напряжение) на стенках цилиндрической оболочки является функцией диаметра оболочки и внутреннего давления пара: [3]
где σ — растягивающее напряжение (кольцевое напряжение) в Па, p — внутреннее манометрическое давление в Па, d — внутренний диаметр цилиндрической оболочки в м и t — толщина стенки цилиндрической оболочки в м.
Постоянно растущая потребность в увеличивающемся количестве пара при все более и более высоком давлении не могла быть обеспечена с помощью жаротрубных котлов, потому что, как видно из приведенного выше уравнения, как более высокое давление, так и корпуса большего диаметра приводили к недопустимо более толстому и большему размеру корпуса. дорогие снаряды.
(PD) Изображение: Babcock & Wilcox CompanyРисунок 3: Изображение водотрубного котла в начале 1900-х годов. (PD) Чертеж: The Stirling Company
Рисунок 4: Четырехбарабанный котел Стирлинга
- Водотрубные котлы
Водотрубные котлы с продольными паровыми барабанами, как на Рисунке 3, [4] были разработаны для увеличения давления генерируемого пара и увеличения мощности.Водотрубные котлы, в которых вода протекала по наклонным трубам, а газы продуктов сгорания выходили за пределы труб, создавали желаемое более высокое давление пара в трубах малого диаметра, которые могли выдерживать растягивающее напряжение при более высоких давлениях, не требуя чрезмерно толстых стенок труб. [1]
Относительно меньшие паровые барабаны (по сравнению с кожухами дымовых труб) также были способны выдерживать растягивающее напряжение при желательных более высоких давлениях, не требуя чрезмерно толстых стенок барабана.
Водотрубный котел прошел несколько этапов проектирования и разработки. Паровой барабан был расположен либо параллельно трубам (как показано на рисунке 3), либо поперек труб, и в этом случае котел упоминался как «поперечный барабан», а не как котел «с продольным барабаном». Котлы с поперечными барабанами могли вместить больше труб, чем котлы с продольными барабанами, и они были спроектированы для создания давления пара до примерно 100 бар и со скоростью примерно до 225000 кг / час.
На следующем этапе разработки использовались слегка изогнутые трубы, от трех до четырех паровых барабанов и от одного до двух буровых барабанов на дне труб (см. Рисунок 4). Каждый из трех наборов изогнутых трубок, как показано на рисунке 4, представляет собой группу трубок, идущих от передней части паровых барабанов к задней части барабанов. Таким образом, чем длиннее паровые барабаны, тем больше трубок и больше поверхности теплопередачи. Трубки были слегка изогнуты, так что они входили в паровые барабаны и выходили из них радиально.Перегородки, сделанные из огнеупорного кирпича, заставляли дымовой газ перемещаться вверх от грязевого барабана к правому паровому барабану, затем вниз от среднего парового барабана к грязевому барабану и, наконец, вверх к левому паровому барабану и к выходу дымового газа. в верхнем левом углу. По сути, как показано на Рисунке 4, перегородки создавали множественный путь для дымовых газов.
Барабаны для бурового раствора были подвешены на дне рядов труб и могли свободно перемещаться, когда ряды труб расширялись при нагреве во время пусков котла или сжимались при охлаждении во время остановов котла.Барабан для бурового раствора предназначен для сбора любых твердых частиц, выпавших в осадок из воды, а в барабанах для бурового раствора были предусмотрены условия для продувки собранных твердых частиц.
Снова обращаясь к Рисунку 4, зона горения топлива была расположена в нижней правой части котла, и в конструкции были предусмотрены меры для обеспечения достаточной подачи воздуха для горения, а также соответствующей тяги дымовой трубы.
Такие конструкции были названы котлами Стирлинга, [5] названы в честь Алана Стирлинга, который разработал свой первый котел в 1883 году и запатентовал его в 1892 году, через четыре года после образования Stirling Boiler Company в Нью-Йорке в 1888 году. [6] Одним из важных преимуществ конструкции Стирлинга было то, что трубки были легко доступны, что облегчало осмотр и обслуживание или замену трубок.
Котлы Стирлинга с четырьмя паровыми барабанами были заменены более простой конструкцией с двумя барабанами с паровым барабаном непосредственно над водяным (грязевым) барабаном и изогнутыми водяными трубами, соединяющими два барабана. Более поздние конструкции двухбарабанной версии имели один тракт дымовых газов. В целом, котел Стирлинга был способен выдерживать быстро меняющиеся нагрузки, а также был адаптирован для использования различных видов топлива. [1] Можно сказать, что котлы Стирлинга были предшественниками современных парогенераторов, используемых на электростанциях.
Компания Babcock and Wilcox приобрела и ассимилировала Stirling Boiler Company в 1906 году и начала массовое производство котлов Стирлинга. [6] Хотя котлы Стирлинга широко использовались на крупных парогенерирующих станциях в период между 1900 и Второй мировой войной (начало 1940-х годов), сегодня они редко встречаются.
Парогенераторы современные электростанции
Большие парогенераторы, используемые на современных электростанциях для выработки электроэнергии, почти полностью представляют собой водотрубную конструкцию из-за их способности работать при более высоких давлениях.
(PD) Изображение: Milton BeychokРис. 5A: Большой подкритический парогенератор, работающий на угле, на электростанции. (CC) Фото: Matthew High
Рис. 5B: Два сверхкритических пара мощностью 750 МВт, работающих на нефти и газе, для электростанций в Мосс-Лендинг, Калифорния.
Электростанции, использующие тепло сгорания топлива для производства пара
- Для получения дополнительной информации см .: Паровая и угольная электростанция .
Установки, вырабатывающие электроэнергию с паром, образующимся при сгорании топлива, могут сжигать уголь, нефтяное топливо, природный газ, бытовые отходы или биомассу.В зависимости от того, находится ли давление генерируемого пара ниже или выше критического давления воды (221 бар), парогенератор электростанции может быть либо докритическим давлением (ниже 221 бар), либо сверхкритическим давлением (выше 221 бар). ) парогенератор. Рисунок 1 (см. Выше) представляет собой фотографию, на которой показаны размеры большой современной электростанции, которая генерирует докритический пар в результате сгорания топлива, а Рисунок 5B — это фотография, которая показывает размеры большой сверхкритической паровой электростанции.
Выходной перегретый пар от докритических парогенераторов на электростанциях, использующих сжигание топлива, обычно находится в диапазоне давления от 130 до 190 бар, температуры от 540 до 560 ° C и расхода пара от примерно 400000 до примерно 5000000 кг / час. . На соседнем рисунке 5A представлена схематическая диаграмма типичной электростанции, использующей сжигание топлива для генерации пара в докритическом состоянии, а на рисунке 5B показан внешний вид таких электростанций. Общая высота таких парогенераторов составляет около 70 метров.
Как показано, установка имеет паровой барабан и использует водяные трубы, встроенные в стенки зоны горения топки генератора. Насыщенный пар из парового барабана перегревается, проходя через трубы, нагреваемые горячими газами сгорания. Горячие дымовые газы также используются для предварительного нагрева питательной воды котла, поступающей в паровой барабан, и воздуха для горения, поступающего в зону горения.
Существуют три конфигурации таких парогенераторов:
- Естественная циркуляция, при которой жидкая вода течет вниз из парового барабана через сливной стакан (см. Рис. 5A), а смесь пара и воды возвращается в паровой барабан, поднимаясь вверх по трубам, встроенным в стенку печи.Разница в плотности между нисходящей жидкой водой и восходящей смесью пара и жидкости обеспечивает достаточную движущую силу, чтобы вызвать циркулирующий поток.
- Принудительная циркуляция, при которой насос в сливном стакане обеспечивает дополнительную движущую силу для циркулирующего потока. Помощь насоса обычно обеспечивается при генерировании пара при давлении выше примерно 170 бар, потому что при давлении выше 170 бар разница плотностей между жидкостью из сливного стакана и парожидкостной смесью в трубах стенки печи уменьшается в достаточной степени, чтобы ограничить циркулирующий поток. показатель.
- Прямоточная система, в которой отсутствует паровой барабан, а питательная вода котла проходит через экономайзер, трубы стенки печи и секцию перегревателя за один непрерывный проход, и рециркуляция отсутствует. По сути, насос питательной воды обеспечивает движущую силу для потока через систему.
На рисунке 6 ниже схематично показаны три конфигурации:
(PD) Диаграмма: Milton BeychokРисунок 6: Конфигурации парогенератора ТЭЦ
Критическая точка чистого вещества обозначает условия, при превышении которых отдельные жидкая и газовая фазы не существуют, и между жидкостью и газом нет границы раздела фаз.По мере приближения к критической точке свойства газовой и жидкой фаз сближаются, в результате чего в критической точке образуется только одна фаза: гомогенная сверхкритическая жидкость . Таким образом, для сверхкритических парогенераторов предпочтительной конфигурацией является прямоточная система на Рисунке 6, поскольку нет жидкости или пара выше критической точки и нет необходимости в паровом барабане для разделения несуществующей жидкой и газовой фаз. . Термин «бойлер» не следует использовать для парогенератора сверхкритического давления, поскольку в таких системах фактически не происходит «кипения».
Ряд новаторских прямоточных систем сверхкритического давления был построен для коммунальной промышленности, многие из которых имеют давление в диапазоне от 310 до 340 бар и температуру от 620 до 650 ° C (значительно выше критической точки воды). Чтобы снизить операционную сложность и повысить надежность оборудования, последующие сверхкритические системы были построены при более умеренных условиях: около 240 бар и от 540 до 565 ° C. Основным недостатком сверхкритических парогенераторов является потребность в исключительно чистой питательной воде порядка 0.1 ppm от общего количества растворенных твердых веществ (TDS). [1] [7]
(CC) Фото: Peter J. BaerРис. 7A: Котлы-утилизаторы для двух блоков электростанции с комбинированным циклом. (PD) Фото: Управление долины Теннесси,
Рисунок 7B: Электростанция комбинированного цикла TVA в Каледонии (3 блока)
Парогенераторы-утилизаторы
Парогенератор с рекуперацией тепла (HRSG) — это теплообменник или серия теплообменников, которые рекуперируют тепло из потока горячего газа и используют это тепло для производства пара для приведения в действие паровых турбин или в качестве технологического пара на промышленных объектах или в качестве пара для централизованного теплоснабжения. . [8]
ПГРТ является важной частью электростанции с комбинированным циклом (ПГУ) [9] или когенерационной электростанции. [10] На обоих типах электростанций ПГРТ использует горячий дымовой газ при температуре примерно от 500 до 650 ° C от газовой турбины для производства пара высокого давления. Пар, производимый ПГРТ на газотурбинной электростанции с комбинированным циклом, используется исключительно для выработки электроэнергии. Однако пар, вырабатываемый ПГРТ на когенерационной электростанции, частично используется для выработки электроэнергии, частично — для централизованного теплоснабжения или для технологического пара.
Электростанция с комбинированным циклом, схематически изображенная на Рисунке 8 ниже, названа так потому, что она объединяет цикл Брайтона для газовой турбины и цикл Ренкина [11] для паровых турбин. Около 60 процентов всей электроэнергии, вырабатываемой на ПГУ, вырабатывается электрическим генератором, приводимым в действие газовой турбиной, и около 40 процентов вырабатывается другим электрическим генератором, приводимым в действие паровыми турбинами высокого и низкого давления. Для крупномасштабных электростанций типичная ПГУ может использовать комплекты, состоящие из газовой турбины, приводящей в действие электрогенератор мощностью 400 МВт, и паровых турбин, приводящих в действие генератор мощностью 200 МВт (всего 600 МВт), а электростанция может иметь 2 или более таких наборы.
Теплообменники первичного компонента ПГРТ — это экономайзер, испаритель и связанный с ним паровой барабан, а также перегреватель, как показано на Рисунке 9 ниже. ПГРТ может быть в горизонтальном воздуховоде с горячим газом, протекающим горизонтально по вертикальным трубам, как на рисунке 9, или в вертикальном воздуховоде, когда горячий газ течет вертикально по горизонтальным трубам. В горизонтальных или вертикальных ПГРТ может быть один испаритель и паровой барабан или может быть два или три испарителя и паровые барабаны, производящие пар с двумя или тремя разными давлениями.На рисунке 9 показан ПГРТ, использующий два испарителя и паровые барабаны для производства пара высокого давления и пара низкого давления, причем каждый испаритель и паровой барабан имеют связанные с ними экономайзер и пароперегреватель. В некоторых случаях дополнительное сжигание топлива может быть предусмотрено в дополнительной секции на переднем конце HRSG для обеспечения дополнительного тепла и газа с более высокой температурой. На рисунках 7A и 7B (чуть выше) показан фактический внешний вид горизонтальных HRSG на многоблочной электростанции с комбинированным циклом.
(PD) Диаграмма: Milton Beychok Рисунок 8: Принципиальная схема типичной электростанции комбинированного цикла | (PD) Чертеж: Milton Beychok Рисунок 9: Схема типового HRSG на электростанции с комбинированным циклом |
Существует ряд других приложений HRSG. Например, некоторые газовые турбины предназначены для сжигания жидкого топлива (а не топливного газа), такого как нефтяная нафта или дизельное топливо [12] , а другие сжигают синтез-газ (синтетический газ), полученный в результате газификации угля на установке комбинированного цикла с интегрированной газификацией. обычно называют заводом IGCC.В качестве другого примера, электростанция с комбинированным циклом может использовать дизельный двигатель, а не газовую турбину. Практически во всех подобных сферах применения HSRG используются для производства пара, используемого для выработки электроэнергии.
Производство пара АЭС
(PD) Чертеж: Milton BeychokРисунок 10: Два наиболее распространенных типа атомных электростанций
- Для получения дополнительной информации см .: Атомная электростанция .
Атомная электростанция Колдер-Холл в Соединенном Королевстве была первой в мире атомной электростанцией, производящей электроэнергию в промышленных объемах, и начала работу в 1956 году. [13] Атомная электростанция Шиппорт в Шиппорте, штат Пенсильвания, была первой коммерческой атомной электростанцией в Соединенных Штатах и была открыта в 1957 году. [14] По состоянию на 2007 год в мире насчитывалось более 430 действующих атомных электростанций. и они производили около 15% мировой электроэнергии. [15] [16]
Существует множество различных типов атомных электростанций, но на двух наиболее распространенных действующих станциях используется реактор с кипящей водой (BWR) (BWR) или с водой под давлением. Реактор (PWR) . [17] На рисунке 10 представлена схематическая диаграмма того, как пар генерируется на этих двух типах атомных электростанций:
- В BWR охлаждающая вода ядерного реактора превращается в насыщенный пар внутри самого реактора за счет поглощения тепла, создаваемого реакцией ядерного деления. Пар, производимый внутри реактора, обычно находится под давлением примерно от 70 до 75 бар и температурой примерно от 290 до 300 ° C и направляется к турбогенераторам вне защитной оболочки реактора для преобразования в электричество.
- В PWR охлаждающая вода реактора находится под давлением до 160 бар и температуры 330 ° C, и внутри реактора нет кипения. Горячая охлаждающая вода под давлением проходит через теплообменные трубы внутри парогенератора, где она обменивается теплом с питательной водой генератора и преобразует ее в пар. Затем охлаждающая вода реактора перекачивается обратно в реактор. Верхняя часть генератора представляет собой пароводяной сепаратор. Поток охлаждающей воды из реактора через парогенератор и обратно в реактор обозначается как первичный контур .Поток питательной воды в парогенератор, преобразование питательной воды в пар, прохождение пара через турбогенераторы, расположенные за пределами конструкции защитной оболочки, конденсация выхлопного пара из турбогенераторов и рециркуляция сконденсированного пара в качестве питательной воды в парогенератор. парогенератор обозначается как вторичный контур . Весь первичный контур расположен внутри конструкции защитной оболочки ядерного реактора. Вторичный контур частично находится внутри защитной конструкции и частично вне конструкции.
Таким образом, по сути, парогенератор в ядерном реакторе BWR — это сам реактор, а парогенератор в реакторе PWR — это просто вертикальный теплообменник. Установки BWR и PWR вырабатывают насыщенный пар, по существу, при одинаковых температуре и давлении, и оба могут использовать в качестве теплоносителя реактора легкую воду (обычную воду) или тяжелую воду . [18] Около 65% всей энергии, вырабатываемой атомными электростанциями, приходится на реакторные системы PWR. [17]
(PD) Чертеж: Милтон БейчокРис. 11: Принципиальная схема работы концентрированных солнечных электростанций SEGS в пустыне Мохаве.
Парогенераторы солнечной энергии
- Для получения дополнительной информации см .: Солнечная энергия .
Солнечная энергия — это выработка электричества из солнечного света, и это может быть достигнуто с помощью фотоэлектрической энергии, которая использует массив ячеек, содержащих материал, который преобразует солнечный свет непосредственно в электричество. Этот метод не требует производства пара.
Солнечная энергия также может быть получена косвенно с помощью линз или зеркал для фокусировки солнечного излучения в концентрированный луч тепла. Затем сконцентрированный пучок используется в качестве источника тепла для выработки пара для преобразования в электроэнергию. Этот метод называется , , концентрированная солнечная энергия, , (CSP), и существует ряд различных конструкций для концентрации солнечного излучения. Различные конструкции работают по одному и тому же простому принципу отражения и концентрации солнечного света и отличаются друг от друга использованием разных типов зеркал. [19] [20]
По состоянию на 2009 год из всех различных станций CSP, действующих по всему миру, крупнейшими являются установки для производства солнечной энергии (SEGS) станции, работающие в пустыне Мохаве в Калифорнии. На рис. 11 представлена принципиальная технологическая схема установок SEGS, в которых используются большие поля параллельных зеркал желоба. Зеркала фокусируют свой концентрированный пучок тепла на трубах, расположенных над центром желобов, которые проходят по всей длине зеркальных полей и содержат циркулирующий жидкий теплоноситель (HTF) (синтетическое масло).HTF, входящая в поле зеркала, имеет температуру около 270 ° C и нагревается до температуры около 390 ° C по мере прохождения через поле зеркала. Затем горячий HTD используется в серии теплообменников, как показано на рисунке 11, для выработки перегретого пара под давлением около 100 бар и температурой около 375 ° C. Затем перегретый пар направляется к паровым турбинам, которые приводят в действие генераторы электроэнергии того же типа и с таким же расположением оборудования, что и обычные парогенераторы, работающие на топливе.
После того, как HTF прошла через серию теплообменников, она течет в расширительный бак [21] , из которого перекачивается обратно на вход зеркальных полей.
Было построено девять заводов SEGS, первая в 1984 году и последняя в 1990 году, и теперь они надежно работают в течение многих лет. Их общая проектная мощность составила 354 МВт. Последний и самый крупный блок (SEGS IX) был рассчитан на мощность 80 МВт и имеет 484 000 м 2 зеркальных полей.
Некоторые установки SEGS имеют систему аккумулирования тепловой энергии (см. Рисунок 11), в которой расплав соли [22] при 290 ° C может быть нагрет до 370 ° C и сохранен для последующего использования в качестве дополнительного нагрева HTF при необходимости. .На некоторых заводах также есть парогенератор, работающий на топливе, который можно использовать при необходимости. На рисунках 12 и 13 изображены зеркала параболического желоба, а также зеркальные поля.
(PD) Фото: Национальное управление океанических и атмосферных исследований. Рисунок 12: Зеркала параболического желоба, используемые в электростанциях концентрированной солнечной энергии. | (PD) Фото: Sandia National Laboratory Рисунок 13: Поля параболических зеркал на солнечных электростанциях SEGS в пустыне Мохаве |
Парогенераторы прочие
(CC) Чертеж: Milton BeychokРисунок 14: Парогенератор типа чайник
Теплообменники чайные
Нефтеперерабатывающие, нефтехимические и другие перерабатывающие предприятия часто имеют множество источников отработанного тепла, которые можно использовать для производства пара, обычно насыщенного пара.Во многих таких случаях теплообменник котельного типа (того же типа, что и котельные ребойлеры, используемые для многих промышленных ректификационных колонн) используется в качестве парогенератора.
На рисунке 14 представлена принципиальная схема теплообменника чайного типа, предназначенного для производства насыщенного пара. Горячая жидкость, обозначенная на рисунке, может быть либо горячей жидкостью, либо потоком горячего пара.
Чайник-теплообменник может генерировать пар низкого давления по той же причине, что и для жаротрубных котлов (см. Выше), а именно из-за того, что толщина внешней оболочки теплообменника становится непрактичной при очень высоких давлениях.
Производство отработанного пара при выплавке меди
(CC) Диаграмма: Milton BeychokРисунок 15: Взвешенная плавка меди в Outokumpu
Существует множество методов, используемых для извлечения металлической меди (Cu) из медьсодержащих руд. Одним из этих методов является использование известного процесса взвешенной плавки и различных конструкций для плавильных плавильных печей: процесса Outokumpu, процесса INCO, процесса Mitsubishi, процесса Noranda и процесса WORCRA. Наиболее часто используемой плавильной установкой для взвешенной плавки является технология Outokumpu, разработанная в Финляндии в конце 1940-х годов и описанная ниже. [23] [24] [25] [26]
Медьсодержащая руда обычно представляет собой халькопирит (CuFeS 2 ), который сначала дробится и измельчается, а затем подвергается процессу флотации до производят концентрат , содержащий от 20 до 40 процентов меди. Затем этот концентрат вместе с воздухом, обогащенным кислородом, подают в пламя в реакционной секции (называемой реакционной шахтой ) плавильной печи во взвешенном состоянии Outokumpu. Первоначально пламя зажигается природным газом или другим топлива и впоследствии поддерживается за счет сжигания серы, содержащейся в исходном медном концентрате.
Как показано на Фигуре 15, секция отстойника печи взвешенной плавки содержит расплавленный штейн и шлак , имеющий температуру около 1350 ° C. Штейн (от 50 до 70 процентов меди) иногда может также называться черновой медью и отбирается для последующего преобразования в металлическую медь в конечном продукте. Шлак содержит большую часть примесей в сырье и в основном выбрасывается.
Продукт сгорания , отходящий газ может содержать от 20 до 60 процентов газообразного диоксида серы (SO 2 ) и имеет температуру около 1300 ° C.Горячий газ сгорания используется для обмена теплом с водой под давлением и тем самым генерирования пара в том, что в металлургической промышленности называют котлами-утилизаторами (WHB) или туннельными котлами . Горячий газ сгорания также содержит мелкие твердые частицы (пыль), и примерно от 60 до 65 процентов этой пыли периодически удаляется из теплообменных труб внутри WHB с помощью пружинных молотков. Остаток пыли удаляется в электрофильтре (ESP) после охлаждения газа до температуры, которую может выдерживать ESP, а именно около 350 ° C или ниже.Затем пыль возвращается обратно в сырье для реакционной шахты. Беспыльный газ, обогащенный SO 2 , из ЭЦН направляется на другой завод для преобразования в серную кислоту (H 2 SO 4 ).
WHB обычно вырабатывают насыщенный пар под давлением от около 40 до 60 бар и температурой от около 250 до 285 ° C. Первый WHB на фиг. 15 представляет собой так называемую излучающую секцию , второй WHB представляет собой так называемую конвекционную секцию , и один паровой барабан обслуживает обе секции.. Из-за ограничений по размеру на Рисунке 15 не показан паровой барабан или различные теплообменные трубки в WHB, но они похожи на HRSG, показанные на Рисунке 9 выше. [27]
Список литературы
- ↑ 1,0 1,1 1,2 1,3 P.K. Наг (2008). Power Plant Engineering , 3-е издание. Тата МакГроу-Хилл. ISBN 0-07-064815-8.
- ↑ Например, котел-утилизатор в установках для улавливания серы Клауса, используемых на нефтеперерабатывающих заводах, является дымогарным котлом.
- ↑ Сосуды под давлением: комбинированное напряжение С веб-сайта факультета машиностроения Вашингтонского университета.
- ↑ Компания Бэбкок и Уилкокс (1922). Steam, его создание и использование , 35-е издание, 6-й выпуск. Bartlett Orr Press, Нью-Йорк. Google Книги
- ↑ Инженерный штаб компании Стирлинг (1905 г.). Книга для инженеров в Steam , 1-е издание. Компания Стирлинга. Google Книги
- ↑ 6.0 6,1 Котлы Стирлинга С веб-сайта Американского общества инженеров-механиков (ASME).
- ↑ Томас К. Эллиот, Као Чен и Роберт С. Свонекамп (1997). Стандартный справочник по силовой установке , 2-е издание. Макгроу-Хилл. ISBN 0-07-019435-1.
- ↑ Централизованное теплоснабжение — это система распределения пара, вырабатываемого централизованно, для отопления коммерческих и жилых зданий.
- ↑ Также упоминается как газовая турбина с комбинированным циклом (CCGT) или газовая турбина с комбинированным циклом (GTCC)
- ↑ Также упоминается как ТЭЦ.
- ↑ Температурно-энтропийную диаграмму цикла Ренкина см. В статье Steam.
- ↑ Мехерван Бойс (2002). Справочник по проектированию газовых турбин , 2-е издание. Gulf Professional Publishing. ISBN 0-88415732-6.
- ↑ Хельге Краг (1999). Квантовые поколения: история физики в двадцатом веке . Издательство Принстонского университета, стр. 286. ISBN 0-691-09552-3.
- ↑ Уникальные реакторы С сайта Управления энергетической информации (EIA).
- ↑ Количество реакторов, находящихся в эксплуатации в мире С веб-сайта Международного агентства по атомной энергии (МАГАТЭ).
- ↑ Прогнозы в отношении ядерной энергетики продолжают расти, но относительная доля выработки снижается по данным веб-сайта Международного агентства по атомной энергии (МАГАТЭ).
- ↑ 17,0 17,1 Ядерные реакторы С веб-сайта Всемирной ядерной организации (WNO).
- ↑ Практически весь водород в легкой воде (обычной воде) является изотопом протия водорода.В тяжелой воде изотоп протия был заменен изотопом водорода дейтерия. Дейтерий — стабильный изотоп водорода с естественным содержанием в океанах Земли примерно один атом на 6500 водорода (~ 154 частей на миллион).
- ↑ CSP — Как это работает
- ↑ Объяснение концентрации солнечной энергии CSP — Как это работает
- ↑ Названо так, потому что учитывает любые изменения теплового расширения HTF.
- ↑ Соль представляет собой смесь нитрата калия и нитрата натрия.
- ↑ Сешадри Ситхараман (редактор) (2005). Основы металлургии , 1-е издание. CRC Press. 0-8493-3443-8.
- ↑ Производство меди с помощью Outokumpu Flash Smelting: обновленная информация Илкка В. Коджо и Ханнес Сторч (2006), Outokumpu Technology Oy, Эспоо, Финляндия
- ↑ W.G. Давенпорт, М. Кинг, М. Шлезингер и А.К. Бисвас (2002). Добывающая металлургия меди , 4-е издание. Пергамон. ISBN 0-444-50206-8.
- ↑ Yongxiang Yang et al (май 1999 г.).«Использование вычислительной гидродинамики для модификации конструкции котла-утилизатора». Журнал Общества минералов, металлов и материалов 51 (5).
- ↑ Личное сообщение профессора Пекки Таскинена из Хельсинкского технологического университета в Финляндии.
Генераторы чистого пара — Infinity Fluids
ЧИСТЫЙ / УЛЬТРАЧИСТЫЙ — ВСЕ НЕРЖАВЕЮЩИЕ ПАРОГЕНЕРАТОРЫ
Мгновенное производство пара — только с Infinity
Infinity запатентовала единственный доступный парогенератор мгновенного действия.Больше не нужно использовать свой невероятно негабаритный котел для питания небольшого технологического процесса на заводе, тратя тысячи долларов в год на топливо и расходы на водопровод. С новым парогенератором Infinity In Line, настройте свой процесс с удобством точки использования, которое может обеспечить только Infinity. Парогенератор Infinity In Line с расходом от 1 фунта / час до 1000 фунтов / час идеально подходит для повышения или повышения эффективности, удобства и экономии средств для любого оборудования или процесса.
Преимущества и особенности
- Сверхкомпактный размер и вес
- Чистые, непористые элементы из нержавеющей стали
Нет опасений по поводу разложения, загрязнения струи углеродистой сталью или пористыми электрифицированными элементами - Нет требований к качеству воды, прямая водопроводная вода до чистой воды прямого / обратного осмоса
- Значительно уменьшите размер вашего оборудования с помощью нашей новой технологии, одновременно уменьшив общий вес
- Снизьте энергопотребление вашего технологического процесса на 30-40%
- Больше никаких потерь энергии с «Stand-by Idling»
- ЭКОНОМИЯ ДЕНЕГ, CRES-SG обычно на 40-50% дешевле обычных котлов / парогенераторов
- Простое снятие элемента для осмотра и очистки
Технические характеристики
- Компактные обогреватели от 250 Вт до 250 кВт
- Все конструкции из нержавеющей стали, стандарт
- Температура процесса от 600 ° C (1200 ° F)
- Атмосферное и высокое рабочее давление
- Подкачивающие насосы не требуются
- Дополнительные покрытия: электрополировка, пассивирование и светлый отжиг для получения чистого пара
- Индивидуальные размеры и дизайн для всех процессов
- Стандартный тип k t / c или 100 Ом Plat RTD доступен
Приложения
- Оборудование для приготовления пищи
- Паровой риформинг
- Нагрев и предварительный подогрев топливных элементов
- Полиграфическая, чистящая, фармацевтическая, биотехнологическая, стерилизационная и пластмассовая промышленность
- Очистка
- Генерация влажности
- Очистка металлических, поли и керамических деталей
STG — Парогенераторы | CBS
Обогрев варочного цеха с помощью парогенератора — традиционное решение для передачи тепла, которое использовалось со времен промышленной революции.Тем не менее, даже сегодня паровое отопление варочного цеха является наиболее часто используемым методом обогрева, и мы встречаемся с ним на самых последних крупных пивоварнях и мини-пивоварнях. Мы используем варочный цех с паровым нагревом для большинства наших мини-пивоварен.
Поставляем два типа парогенераторов для наших пивоварен
Преимущества варочного цеха парового отопления
- Быстрый нагрев
- Быстрая теплопередача (в том числе на большие расстояния)
- Быстрое начало эффекта нагрева и его быстрое исчезновение (низкий гистерезис)
- Способность передавать большое количество тепла для нагрева в емкости теплообменника
- Простая и точная регулировка теплового эффекта
- Возможность использования горячего пара для обогрева сосудов и другого оборудования (например, резервуара для горячей воды)
- Возможность использования горячего пара для быстрой дезинфекции трасс трубопроводов, кухонных принадлежностей, распределительных пакетов и т. Д.
Недостатки пароварочного цеха
- Дороговизна парогенератора
- Дорогостоящий варочный цех и другие отапливаемые сосуды — распределение давления
- Потребность в производстве и проведении испытаний давления пара, резервуаров с рубашкой и распределения пара — более высокие затраты на приобретение и эксплуатацию
- Необходимость установки дымовых газов и проверки газовых парогенераторов
- Необходимость обеспечения зарезервированного помещения (котельной) для газового парогенератора большей мощности
- Высокие требования к обеспечению безопасной эксплуатации — опасность пара при неправильном выполнении инструкций
Установка водоподготовки парогенератора
Примечание: (для газогенераторов учитывается отдельно, для электрогенераторов водоочистная установка включена).Водоочистная установка состоит из стеклопластиковых бутылок, заполненных ионообменным материалом, и пластиковых контейнеров (резервуар для рассола), служащих резервуаром для соли для регенерации. Эти компоненты образуют компактный блок вместе с автоматически управляемой головкой, которая устанавливается на верхней части бутылки из стекловолокна. В верхней части солевого бака есть крышка, которая служит для пополнения солевого бака. Автоматическая головка с электронным управлением измеряет количество очищенной воды и при необходимости запускает регенерацию.Можно выбрать санитарную регенерацию, которая обеспечивает регенерацию ионообменной смолы при простоях в работе (защита ионообменной смолы при длительном использовании).
>> Я хочу получить предложение по этому компоненту
<<>> Вернуться к устройствам для процесса горячего заваривания <<
типов парогенераторов | Sciencing
Обновлено 7 декабря 2019 г.
Кевин Бек
Появление парогенератора или котла изменило повседневную жизнь задолго до появления электронных инноваций и, возможно, оказало большее влияние, чем более поздние инновации, такие как как онлайн-торговля, социальные сети и беспроводные технологии.Сейчас трудно оценить, насколько сильно меня изменила правила игры, когда я мог перемещаться с места на место без личного или животного (например, конного экипажа) энергии.
На первый взгляд преднамеренное производство пара выглядит странным выбором. Глядя на мир с точки зрения маленького ребенка, пар кажется не более чем обязательным водянистым отходом различных процессов, связанных с выделением тепла, от приготовления коробки с макаронами до обогрева коридоров здания.
Лучший способ связать свой разум с ценностью правильно собранного пара — это представить себе, что происходит, когда что-то, из которого вырывается пар, внезапно закрывается или каким-либо иным образом физически не может испускать этот пар — например, плотно прижимая крышку кастрюлю с кипящей водой хотя бы на секунду, прежде чем выпустить ее.
Основы и происхождение энергии пара
Пар — это водяной пар или, в более общем смысле, газообразная форма молекулы. Вода состоит из атомов водорода и кислорода и имеет молекулярную формулу H 2 O.Как и другие вещества с определенной точкой кипения , вода может переходить в газовую фазу, когда достигает этой температуры (для воды 100 C или градусов Цельсия (212 F или градусов Фаренгейта) и получает крошечный толчок энергии так что он может преодолеть свою теплоту испарения, своего рода плату, которую материя обычно должна платить, чтобы переключаться между состояниями (твердое, жидкое или газообразное).
Сегодня наиболее важная роль пара заключается в выработке электроэнергии. Но вернемся назад в конце 1600-х годов было обнаружено, что легче удалять сточные воды из шахт, когда они конденсируются.В процессе было обнаружено, что процесс конденсации воды создает вакуум (отрицательное давление по отношению к тому, что находится за пределами области конденсационной активности). Это открытие было в конечном итоге интегрировано в современные паровые двигатели и генераторы.
Что вырабатывают паровые электростанции?
Существуют различные типы паровых электростанций, организация и другие особенности каждой из которых зависят от конечного назначения парогенерируемой энергии. В любом случае пар — это не цель, а средство для достижения цели, связанной с выработкой энергии.
Вместо того, чтобы просто выпускать пар на открытый воздух, когда любые локальные перепады давления быстро сглаживаются благодаря неограниченной подаче воздуха, он оказывается в ловушке в каком-то пространстве, и его сдерживаемая сила высвобождается на оборудовании, поставляемом человеком.
На электростанциях пар создается за счет сжигания топлива в среде с высоким давлением, то есть в котле. Это наблюдается в основном на угольных электростанциях, хотя к началу 21 века они подверглись сильной критике как из-за их прямого воздействия на окружающую среду, так и из-за их вклада в антропогенное изменение климата.Пар также используется на атомных электростанциях, а также на солнечных тепловых электростанциях.
Компоненты паровой электростанции
Хотя состав и конструкция котлов могут различаться, их основные компоненты в основном одинаковы и включают следующее:
- Топка: В этой камере происходит горение, в ней находятся горелки и различные регулирующие устройства.
- Горелки: Они нагнетают смесь воздуха и топлива (обычно уголь, мазут или природный газ) в систему распределения, чтобы оптимизировать смесь для сгорания.
- Бочки: Сюда входят нижний барабан для бурового раствора для сбора в основном твердых отходов и верхний паровой барабан для сбора пара для подачи в распределительную систему.
- Экономайзер: Это устройство оптимизирует эффективность работы за счет предварительного нагрева питательной воды до заданной температуры, прежде чем она попадет в корпус котельной системы.
- Система распределения пара: Эта сеть клапанов, трубок и соединений адаптирована к уровням давления пара, проходящего через систему.Пар выходит из котла с давлением, достаточным для питания любого процесса ниже по потоку (например, выработки электроэнергии с помощью турбины).
- Система питательной воды: Этот критический элемент котла обеспечивает баланс воды, поступающей в систему, с количеством воды, покидающей систему. Это должно быть рассчитано по весу, а не по объему, поскольку часть воды является паром, а часть — жидкостью.
Типы парогенераторов
Firetube. Чаще всего они используются в процессах, требующих от 15 до 2200 лошадиных сил (1 л.с. = 746 Вт, или Вт).Этот тип котла является цилиндрическим, с пламенем в самой полости топки, а сами дымовые газы удерживаются внутри ряда труб. Они бывают двух основных типов: сухая и мокрая.
Водяная трубка. В этом устройстве трубы содержат пар, воду или и то, и другое, в то время как продукты сгорания проходят по внешней стороне труб. У них часто есть несколько наборов барабанов, и, поскольку они потребляют относительно мало воды, эти бойлеры предлагают необычайно быстрое приготовление на пару.
Коммерческий. Обычно они представляют собой комбинации водяной и пожарной трубок, а также конструкции с электрическим сопротивлением. Они популярны в больших зданиях, требующих в основном постоянной температуры, таких как школы и библиотеки, офисные и правительственные здания, аэропорты, жилые комплексы, колледжи и другие исследовательские лаборатории, больницы и т. Д.
Конденсационный. Конденсационные котлы могут достигать уровня теплового КПД до 98 процентов по сравнению с 70-80 процентами, достижимыми при использовании котлов стандартной конструкции.Типичные уровни эффективности достигают около 90 процентов, когда температура возвратной воды составляет 110 F или ниже, и впоследствии повышаются с понижением температуры обратной воды.
Гибкая водяная трубка (flextube). Эта конструкция особенно устойчива к «тепловому удару», что делает ее естественным вариантом для обогрева. Котлы с гибкими водотрубными трубами имеют широкий диапазон входов топлива и хорошо подходят для систем низкого давления, использующих пар или горячую воду. (Не все «котлы» на самом деле кипятят воду!) Они также довольно просты в обслуживании, с легким доступом к их рабочим частям снаружи.
Электро. Эти котлы отличаются малой ударопрочностью: чистые, тихие, простые в установке и небольшие по сравнению с их полезностью. Поскольку на самом деле ничего не горит (то есть не о чем беспокоиться), электрические котлы на удивление просты. В смеси нет топлива или оборудования для обработки топлива, и, следовательно, нет выхлопных газов и нет необходимости в соответствующих трубах и портах. Кроме того, в них есть нагревательные элементы, которые легко заменить.
Парогенератор-утилизатор (HRSG). Это инновационный «теплообменник» с рекуперацией энергии, который утилизирует тепло от проходящего мимо потока горячего газа. Они создают пар, который можно использовать для управления конкретным процессом или для привода паровой турбины для выработки электроэнергии с помощью электромагнита. Котлы-утилизаторы построены на основе трех основных компонентов — испарителя, пароперегревателя и экономайзера.
Пар как топливо ядерного реактора
Атомные электростанции используют энергию не от сгорания топлива, а путем механического разделения его мельчайших компонентов.Это очень мягкий способ описания ядерного деления , при котором атомы (в данном случае принадлежащие элементу уран) разбиваются на более мелкие атомы, высвобождая огромное количество энергии.
Энергия, выделяемая при делении, улавливается и используется для нагрева и кипячения воды, а образующийся пар используется для питания турбины с целью выработки электроэнергии.
Генератор(пар) — оборудование для энергетической зоны
1.0 Назначение
Power Zone Equipment, Inc.Политика конфиденциальности данныхПолитика, изложенная ниже, описывает личные данные, которые может собирать Power Zone Equipment, то, как Power Zone Equipment использует и защищает эти данные, а также кому мы можем их передавать. Эта политика предназначена для уведомления физических лиц о личных данных в целях соблюдения законов и нормативных актов о конфиденциальности данных юрисдикций, в которых работает Power Zone Equipment.
Power Zone Equipment призывает наших сотрудников, независимых подрядчиков, клиентов, поставщиков, коммерческих посетителей, деловых партнеров и другие заинтересованные стороны ознакомиться с этой политикой.Используя наш веб-сайт или отправляя личные данные в Power Zone Equipment любыми другими способами, вы подтверждаете, что понимаете и соглашаетесь соблюдать эту политику, а также соглашаетесь с тем, что Power Zone Equipment может собирать, обрабатывать, передавать, использовать и раскрывать ваши личные данные. как описано в этой политике.
2.0 Персональные данные
Power Zone Equipment обязуется соблюдать все разумные меры предосторожности для обеспечения конфиденциальности и безопасности личных данных, собранных Power Zone Equipment.Во время использования вами нашего веб-сайта или посредством других коммуникаций с Power Zone Equipment, персональные данные могут собираться и обрабатываться Power Zone Equipment. Как правило, Power Zone Equipment собирает личную контактную информацию (например, имя, компания, адрес, номер телефона и адрес электронной почты), которую вы сознательно предоставляете при регистрации, запросе котировок, ответах на вопросы или иным образом для использования в наших коммерческих отношениях. Иногда мы можем собирать дополнительные персональные данные, которые вы добровольно предоставляете, включая, помимо прочего, название должности, дополнительную контактную информацию, дату рождения, хобби, области интересов и профессиональную принадлежность.
3.0 Использование личных данных
Веб-сайтPower Zone Equipment предназначен для использования клиентами Power Zone Equipment, коммерческими посетителями, деловыми партнерами и другими заинтересованными сторонами в деловых целях. Персональные данные, собранные Power Zone Equipment через свой веб-сайт или другими способами, используются для поддержки наших коммерческих отношений с вами, включая, помимо прочего, обработку заказов клиентов, заказов от поставщиков, управление учетными записями, изучение потребностей клиентов. , отвечая на запросы и предоставляя доступ к информации.Кроме того, в соответствии с законами и постановлениями соответствующей юрисдикции для поддержки наших отношений с вами:
- мы можем передавать личные данные нашим аффилированным лицам, чтобы лучше понять потребности вашего бизнеса и способы улучшения наших продуктов и услуг;
- мы можем использовать сторонних поставщиков услуг, чтобы помочь нам в сборе, сборке или обработке личных данных в связи с услугами, связанными с нашими деловыми отношениями;
- мы (или третье лицо от нашего имени) можем использовать личные данные, чтобы связаться с вами по поводу предложения оборудования Power Zone для поддержки вашего бизнеса или для проведения онлайн-опросов, чтобы лучше понять потребности наших клиентов; и
- мы можем использовать личные данные для маркетинговой и рекламной деятельности.
Если вы решите не использовать свои личные данные для поддержки наших отношений с клиентами (особенно прямого маркетинга или исследования рынка), мы будем уважать ваш выбор. Мы не продаем ваши личные данные третьим лицам и не передаем их третьим лицам, за исключением случаев, указанных в настоящей политике. Power Zone Equipment будет хранить ваши персональные данные до тех пор, пока вы поддерживаете отношения с клиентами с Power Zone Equipment и / или если вы зарегистрировались для получения маркетинговых или иных сообщений от Power Zone Equipment, до тех пор, пока вы не потребуете, чтобы мы удалили такие персональные данные. .
4.0 Сторонние поставщики услуг
Power Zone Equipment является коммерческим оператором своего веб-сайта и использует поставщиков услуг для оказания помощи в размещении или иным образом выступая в качестве обработчиков данных, для предоставления программного обеспечения и контента для наших сайтов, а также для предоставления других услуг. Power Zone Equipment может раскрывать предоставленные вами персональные данные этим третьим сторонам, которые предоставляют такие услуги по контракту для защиты ваших персональных данных. Кроме того, в соответствии с законами и нормативными актами соответствующей юрисдикции Power Zone Equipment может раскрывать личные данные, если такое раскрытие:
- — использование персональных данных для дополнительной цели, которая напрямую связана с первоначальной целью, для которой персональные данные были собраны;
- необходим для подготовки, согласования и исполнения договора с вами;
- требуется законом, компетентными государственными или судебными органами;
- необходим для обоснования или сохранения судебного иска или защиты;
- является частью корпоративной реструктуризации, продажи активов, слияния или продажи; или, Код
- необходим для предотвращения мошенничества или других незаконных действий, таких как умышленные атаки на информационные системы Power Zone Equipment.
5.0 Международная передача данных
Обратите внимание, что для наших клиентов в Швейцарии и Европейском союзе (ЕС) компания Power Zone Equipment находится в США. Если вы используете наши веб-сайты или веб-порталы, либо вся информация, включая личную информацию, может быть передана в Power Zone Equipment (включая субподрядчиков, которые могут поддерживать и / или управлять нашим веб-сайтом) в США и других странах и может быть передана третьим лицам. вечеринки, которые могут быть расположены в любой точке мира.Хотя сюда могут входить получатели информации, находящиеся в странах, где уровень правовой защиты вашей личной информации может быть ниже, чем в стране вашего местонахождения, мы будем защищать вашу информацию в соответствии с требованиями, применимыми к вашей информации и / или местоположению. В частности, для передачи данных за пределы ЕС, Power Zone Equipment будет использовать соглашения о передаче данных, содержащие Стандартные договорные положения. Используя наши веб-сайты или веб-порталы, вы недвусмысленно соглашаетесь на передачу вашей личной информации и другой информации в США и другие страны для целей и использования, описанных в настоящем документе.
6.0 Автоматический сбор неличных данных
Когда вы заходите на веб-сайты или веб-порталы Power Zone Equipment, мы можем автоматически (т. Е. Не путем регистрации) собирать неличные данные (например, тип используемого интернет-браузера и операционной системы, доменное имя веб-сайта, с которого вы пришли, количество посещения, среднее время нахождения на сайте, просмотренные страницы). Мы можем использовать эти данные и делиться ими с нашими филиалами по всему миру и поставщиками соответствующих услуг для мониторинга привлекательности наших веб-сайтов и улучшения их производительности или содержания.В этом случае обработка выполняется анонимно и по усмотрению Power Zone Equipment.
7.0 Прочие онлайн-данные
Кроме того, для некоторых технических онлайн-приложений или других взаимодействий с оборудованием Power Zone может потребоваться ввод коммерческих и технических данных. Предоставляя запрошенную информацию, вы даете согласие на обработку и хранение такой информации компанией Power Zone Equipment. Если в Power Zone Equipment не указано, что вы хотите удалить эту информацию с сервера Power Zone Equipment, такая информация может быть сохранена Power Zone Equipment и использована для будущих коммерческих коммуникаций.Запрос на удаление этой информации может быть сделан по контактной информации, указанной ниже. Power Zone Equipment будет принимать все разумные меры предосторожности, чтобы гарантировать, что никакая такая информация не будет предоставлена или разглашена другим третьим сторонам, за исключением, если применимо, тех третьих сторон, которые выполняют хостинг, обслуживание и связанные с этим услуги сайта.
8.0 «Файлы cookie» — информация, автоматически сохраняемая на вашем компьютере
Файлы cookie — это информация, которая автоматически сохраняется на компьютере пользователя веб-сайта.Когда пользователь просматривает веб-сайт (-ы) Power Zone Equipment, Power Zone Equipment может сохранять некоторые данные на компьютере пользователя в форме «файлов cookie», чтобы автоматически распознавать пользователя при будущих посещениях веб-сайта (-ов) Power Zone Equipment. Power Zone Equipment приложит разумные усилия для обеспечения соблюдения законов и постановлений соответствующих юрисдикций в отношении файлов cookie.
9,0 Дети
Power Zone Equipment не будет сознательно собирать личные данные детей младше 18 лет.Веб-сайт (-ы) Power Zone Equipment не предназначен для лиц младше 18 лет
10.0 Безопасность и целостность данных
Power Zone Equipment будет принимать разумные меры предосторожности для защиты личных данных, находящихся в его распоряжении, от риска потери, неправильного использования, несанкционированного доступа, раскрытия, изменения и уничтожения. Power Zone Equipment периодически пересматривает свои меры безопасности, чтобы обеспечить конфиденциальность личных данных.
Power Zone Equipment будет использовать личные данные только способами, совместимыми с целями, для которых они были собраны или впоследствии разрешены вами.Хотя Power Zone Equipment будет принимать разумные меры для обеспечения того, чтобы личные данные соответствовали его предполагаемому использованию, были точными, полными и актуальными, Power Zone Equipment также полагается на каждого человека, чтобы помочь в предоставлении точных обновлений его или ее личных данных.
11.0 Ссылки на другие веб-сайты
Веб-сайтыPower Zone Equipment могут содержать «ссылки» на веб-сайты, принадлежащие третьим сторонам и управляемые ими. Получив доступ к этим ссылкам, которые предоставлены для вашего удобства, вы покинете наш сайт и будете подчиняться политике конфиденциальности другого веб-сайта.Эта политика не распространяется на любую личную информацию, которую вы предоставляете посторонним третьим лицам.
12.0 Сохранение данных
В целом, Power Zone Equipment будет хранить личные данные только столько времени, сколько необходимо для конкретной цели обработки и в соответствии с политикой управления записями Power Zone Equipment, или в соответствии с другими требованиями законов и постановлений конкретной юрисдикции. Например, данные будут храниться в течение периода времени, в течение которого вы имеете право использовать веб-сайты с оборудованием Power Zone, включая любые инструменты для оборудования Power Zone, доступные через наши веб-сайты.После прекращения действия такой авторизации ваши личные данные, связанные с использованием веб-сайтов Power Zone Equipment, будут удалены.
13.0 Доступ к данным и исправление
По запросу Power Zone Equipment предоставит физическим лицам разумный доступ к личным данным, которые она хранит о них. Кроме того, Power Zone Equipment будет принимать разумные меры, чтобы позволить отдельным лицам исправлять, изменять или удалять информацию, которая, как доказано, является неточной или неполной. Power Zone Equipment также полагается на каждого человека, чтобы помочь в предоставлении точных обновлений его или ее личных данных.Чтобы получить доступ, исправить, изменить или удалить личные данные Power Zone Equipment о человеке, физическое лицо должно связаться со следующим:
ТЕЛЕФОН: + 1-719-754-1981 | ЭЛЕКТРОННАЯ ПОЧТА: [email protected]
14.0 Права ЕС на конфиденциальность данных
Если ваши персональные данные обрабатываются в ЕС или вы являетесь резидентом ЕС, Общий регламент ЕС о защите данных предоставляет вам определенные права в соответствии с законом. В частности, право на доступ, исправление или удаление ваших личных данных Power Zone Equipment.
В той степени, в которой это требуется действующим законодательством, Power Zone Equipment будет предоставлять физическим лицам разумный доступ к личным данным, которые Power Zone Equipment хранит о них, и будет принимать разумные меры, позволяющие таким лицам исправлять, изменять или удалять информацию, которая хранится в Power Zone Equipment. их. Power Zone Equipment также полагается на каждого человека, чтобы помочь в предоставлении точных обновлений его или ее личных данных. Чтобы получить доступ, исправить, изменить или удалить персональные данные, которые Power Zone Equipment хранит о физическом лице, физическое лицо должно связаться с его или ее коммерческим представителем Power Zone Equipment или связаться с нами по следующему адресу электронной почты: sales @ powerzone.com.
Если у вас есть комментарий, вопрос или жалоба относительно того, как Power Zone Equipment обрабатывает ваши личные данные, мы приглашаем вас связаться с нами, чтобы мы могли решить этот вопрос.